6.6.1  镗孔要求

6.6.1 镗孔要求

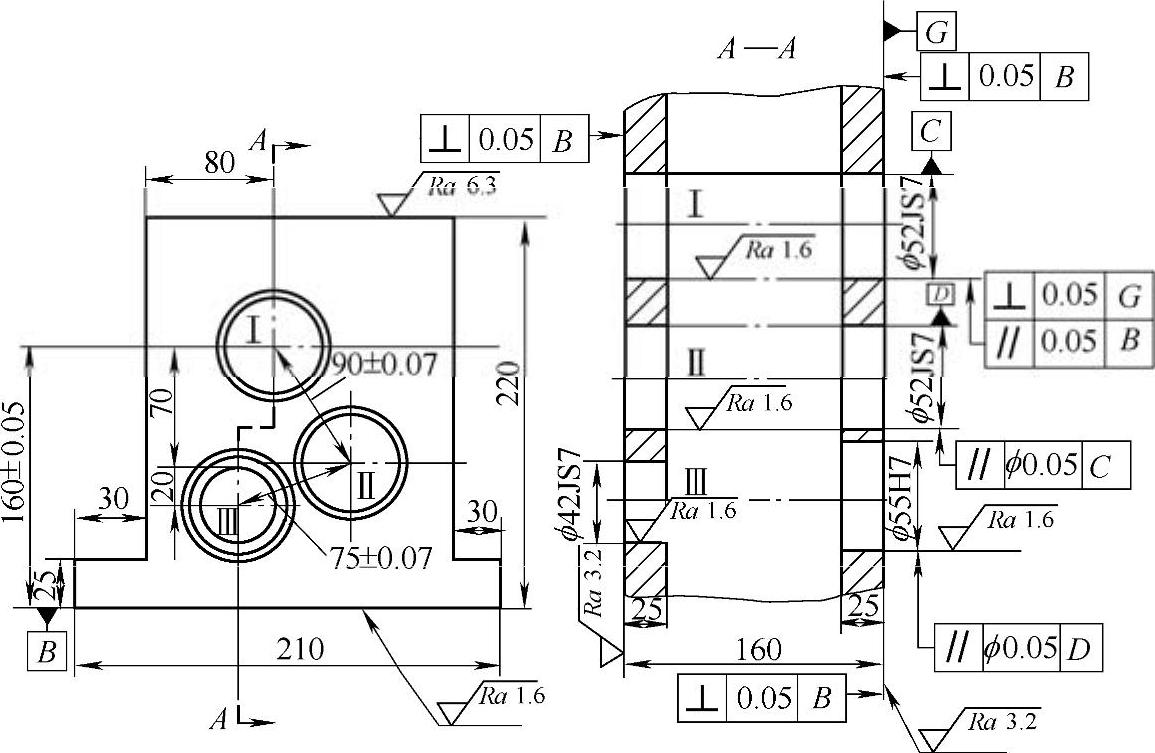
图6-17所示为传动箱体工件,要镗削三个相互平行的孔,并且孔间有距离尺寸要求,其中Ⅰ孔与底面B有距离160±0.05mm尺寸和平行度公差0.05mm的要求,Ⅰ孔与前端面G有垂直度公差0.05mm的要求。

978-7-111-48239-0-Chapter06-36.jpg

图6-17 传动箱体

在进入镗孔工序前,工件已完成B面与G面的精加工,由于Ⅰ孔与B、G基面之间有较高的几何精度要求,故B面与G面精加工后的垂直度应有较高的要求。