4.3.3  齿条的铣削

4.3.3 齿条的铣削

1.铣直齿条的移距方法

(1)分度板法 此法是将分度板套在铣床工作台传动丝杠上并将分度板固定,再把分度手柄装于传动丝杠端部,如图4-8所示,移距时只要转动分度手柄即可,其计算公式为

978-7-111-48239-0-Chapter04-51.jpg

式中 m——齿条模数(mm);

n——分度手柄应转过的转数;

P——铣床工作台传动丝杠螺距(mm)。

例如,采用分度板法在卧铣上铣模数m=5mm的直齿条,铣床工作台传动丝杠螺距P=6mm,则978-7-111-48239-0-Chapter04-52.jpg,即每铣一齿后,分度手柄应转过2圈再在24孔的孔圈上转过21个孔距,然后铣第二齿。

978-7-111-48239-0-Chapter04-53.jpg

图4-8 分度板法铣直齿条

(2)分度头侧轴交换齿轮法 这种方法是把分度头侧轴和铣床工作台纵向传动丝杠用交换齿轮连接起来,移距时将分度手柄连同分度板一起转动,通过交换齿轮传动使工作台作准确的移距。

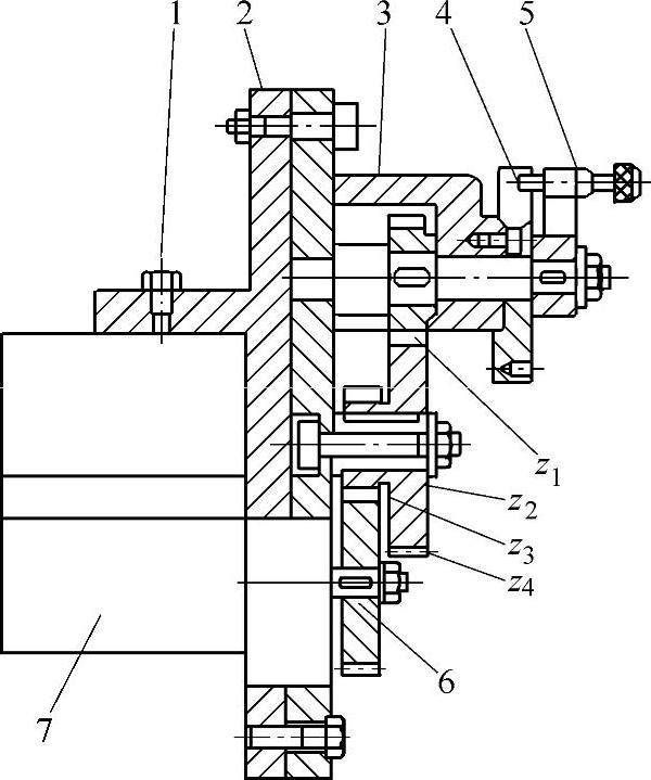
(3)齿条移距器 对于一些经常要加工各种不同模数齿条的工厂,可以改制一只如图4-9所示的专用齿条移距器。使用这种专用的移距器,不仅操作简单,而且移距的精度也很高。

该齿条移距器的结构和使用方法为∶移距器交换齿轮架装于纵向工作台的右端,并用螺钉固定在工作台上,齿轮z1装于Ⅰ轴,齿轮z2z3装于Ⅱ轴,齿轮z4装在纵向传动丝杠上,分度板固定在交换齿轮架支承上。当拔出定位销转动手柄时,就带动纵向传动丝杠转动,使工作台移动一定的距离,由于z1z2z3z4的齿数分别为29、60、52和48,纵向传动丝杠的螺距为6mm,当手柄转一整转时,工作台移动的距离是

978-7-111-48239-0-Chapter04-54.jpg

齿条的齿距P=πm,所以手柄转一整转,工作台移动的距离即等于模数m=lmm的齿距。若手柄转1.5转,则工作台移距为1.5倍模数的齿距,依此类推,每次移距只要使手柄的转数等于齿条的模数即可。

978-7-111-48239-0-Chapter04-55.jpg

图4-9 铣直齿条的齿条移距器

1—固定螺钉 2—交换齿轮架 3—交换齿轮架支承 4—分度板 5—分度手柄 6—纵向传动丝杠 7—工作台

移距器上的手柄和分度板等都可借用分度头上原有的零件。

(4)分度块移距法 采用分度块移距法可消除因纵向传动丝杠精度不高或磨损所引起的误差,这种移距方法适用于在较陈旧的铣床上加工精度要求较高的齿条,特别是长齿条。图4-10所示为铣直齿条的分度块移距装置。

978-7-111-48239-0-Chapter04-56.jpg

图4-10 铣直齿条的分度块移距装置

移距装置由若干块厚度为齿条齿距的分度块、百分表和表座组成,表座可固定在机床的适当位置上,分度块则固定在铣床工作台侧面的T形槽内。装夹分度块时使百分表测头和第一块分度块接触,并将百分表调整到“0”位,然后装夹其余分度块,再用千分尺测量这些分度块的总长度是否等于若干个齿距之和。在具体使用时,当第一齿铣好后,松开螺钉,卸下第一块分度块,移动工作台使百分表测头和第二块分度块接触。当百分表读数恢复到“0”位后,就可铣第二齿。这样依次铣下去,直至还留下一块分度块,然后把卸下的分度块都装上,再重新开始铣削。

2.铣斜齿条的移距方法

(1)工件倾斜法 斜齿条的移距方法要根据加工方法和工件的数量而定。当采用工件倾斜法时,齿条的端面与工作台移动方向成ω角,如图4-11a所示,则每次移距应等于斜齿条的法向齿距pn,即和铣直齿条时完全相同,但此法仅适用于加工斜角ω较小、长度较短的斜齿条,否则将受到横向工作台工作行程的限制而不能将齿条铣至全长。

978-7-111-48239-0-Chapter04-57.jpg

图4-11 铣斜齿条的移距方法示意图

(2)转动工作台法 在铣床上铣削较长的斜齿条时,一般都采用转动工作台的方法,即工件的端面和纵向工作台移动方向平行,然后将工作台转过ω角,如图4-11b所示。采用此法铣削斜齿条时,每铣一齿后纵向工作台的移距应等于斜齿条的端面齿距pt,但pt随模数m及斜角ω变化而变化,因此采用转动工作台法铣斜齿条移距时可采用分度板法和侧轴定轮法,当工件要求高、数量多时可采用分度块移距法。