2.4  习题

2.4 习题

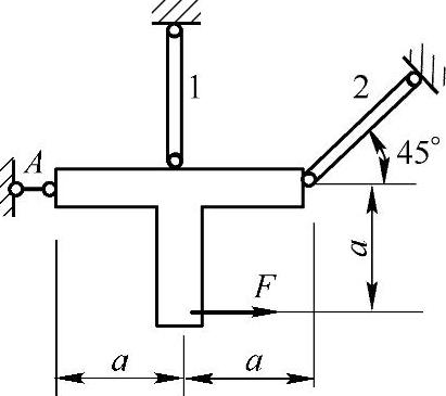
习题2-1 如图2-12所示T形刚体受杆1、杆2和活动铰链约束,两杆横截面面积分别为A1=200mm2A2=300mm2,两杆的材料相同,许用拉应力[σt]=100MPa,许用压应力[σc]=40MPa,试按强度条件确定许用载荷[F]。(参考答案:[F]=8.46kN)

978-7-111-43425-2-Chapter02-65.jpg

图2-12 习题2-1图

978-7-111-43425-2-Chapter02-66.jpg

图2-13 习题2-2图

习题2-2 在如图2-13所示支架中,已知两杆材料相同,其横截面面积之比为A1/A2=2/3,承受载荷为F。试求:(1)两杆内的应力相等时的夹角θ;(2)F=10kN,A1=100mm2时的杆内应力。(参考答案:θ=arccos2/3,杆内应力σ1=100/tanθ

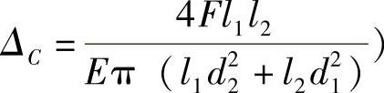
习题2-3 如图2-14所示阶梯形圆杆,其长度与直径分别为l1l2d1d2。若杆的弹性模量为E,在C处作用有轴向力F,求C截面的轴向位移ΔC。(参考答案:978-7-111-43425-2-Chapter02-67.jpg

习题2-4 有两根杆件,它们的横截面面积都是A=100mm2,一根是由塑性材料制成,其屈服极限σs=240MPa,强度极限σb=400MPa,安全因数n1=2;另一根是由脆性材料制成,其抗拉强度(σb+=90MPa,抗压强度(σb-=300MPa,安全因数n2=3。现欲用这样两根杆件组成如图2-15所示结构,并在C点悬挂重物。试问:欲使结构的承载能力较强,则应如何选用这两根杆件?此时结构的许用载荷[P]是多少?(参考答案:AC杆应选用塑性材料,以充分发挥其抗拉性能;BC杆应选用脆性材料,以发挥其抗压能力。[P]=8.69kN)

习题2-5 如图2-16所示结构中,AB杆长LCD杆长L-δ,其中δ<<LBE为刚性杆,AB杆和CD杆抗拉(压)刚度同为EA,若将CD杆装配到E节点上,求两弹性杆由此产生的装配内力。(参考答案:FNAB=FNCD=EAδ/(2L))

978-7-111-43425-2-Chapter02-68.jpg

图2-14 习题2-3图

978-7-111-43425-2-Chapter02-69.jpg

图2-15 习题2-4图

978-7-111-43425-2-Chapter02-70.jpg

图2-16 习题2-5图

习题2-6 已知变截面钢杆,Ⅰ段为d1=20mm的圆形截面,Ⅱ段为d2=25mm的正方形截面,Ⅲ段为d3=12mm的圆形截面,各段长度如图2-17所示。若此杆在轴向压力为F作用下在第Ⅱ段上产生σ2=-30MPa的应力,E=210GPa,求此杆的总缩短量。(参考答案:Δl=0.272mm)

978-7-111-43425-2-Chapter02-71.jpg

图2-17 习题2-6图

978-7-111-43425-2-Chapter02-72.jpg

图2-18 习题2-7图

习题2-7 如图2-18所示桁架中,杆1,2的横截面均为圆形,直径分别为d1=30mm和d2=20mm,两杆材料相同,其许用应力[σ]=160MPa。该桁架在节点A处受铅垂方向的载荷F作用,试确定许用载荷[F]。(参考答案:[F]=97.1kN)

习题2-8 简单桁架结构如图2-19所示,杆ABBC均为钢杆,弹性模量E=200GPa,横截面面积AAB=80mm2ABC=100mm2。在载荷F作用下,结构处于正常工作状态,若通过电测仪器测得AB杆的纵向应变εAB=5×10-4,试求此时杆BC横截面上的正应力σBC。(参考答案:σBC=64MPa)

习题2-9 如图2-20所示桁架,BC杆比设计原长l短了Δ,使杆B端与节点G强制装配在一起,试计算各杆的轴力及节点C的位移,设各杆的EA为已知。(参考答案:FN1=FN3EA/(7.197l),FN2=FN4=FN5EA/(4.155l),δC=Δ/3.598)

习题2-10 如图2-21所示,刚性梁AB水平地挂在两根圆钢杆上,已知钢的弹性模量E=200GPa,钢杆直径分别为d1=20mm,d2=25mm,今在刚性梁AB上作用一横向力F,试问F作用在何处才能使刚性梁水平下降?(参考答案:x=1.4m)

978-7-111-43425-2-Chapter02-73.jpg

图2-19 习题2-8图

978-7-111-43425-2-Chapter02-74.jpg

图2-20 习题2-9图

978-7-111-43425-2-Chapter02-75.jpg

图2-21 习题2-10图

习题2-11 如图2-22所示,刚性梁AB由三根材料相同(弹性模量为E)、长度均为l、截面积均为A的杆悬挂,求力F作用下三杆的轴力和变形。(参考答案:FN1=-7F/12,FN2=F/3,FN3=F/12,Δl1=7Fl/(12EA),Δl2=Fl/(3EA),Δl3=Fl/(12EA))

习题2-12 结构如图2-23所示,l1=l3=ll2=2L,三杆材料相同,且E=200GPa;横截面面积A相同,且A=100mm2。(1)若测出杆1、杆2的线应变分别为ε1ε2,试计算ε3;(2)当ε1=3×10-4ε2=4×10-4时,试计算力F值及F与垂直线的夹角θ。(参考答案:978-7-111-43425-2-Chapter02-76.jpgF=24.1kN,θ=24.5°)

978-7-111-43425-2-Chapter02-77.jpg

图2-22 习题2-11图

978-7-111-43425-2-Chapter02-78.jpg

图2-23 习题2-12图

习题2-13 两块钢板用直径为d=20mm的铆钉搭接的两种形式如图2-24a、b所示。已知F=160kN,两钢板尺寸相同,厚度t=10mm,宽度b=120mm,铆钉和钢板的材料相同,许用切应力[τ]=140MPa,许用挤压应力[σbs]=320MPa,许用拉应力[σt]=160MPa,试求所需的铆钉数,并比较图示两种排列方式,校核钢板的抗拉强度。(参考答案:n=4;σa=200MPa,σb=150MPa,所以图2-24a所示钢板强度不足,图2-24b所示钢板强度满足要求)

978-7-111-43425-2-Chapter02-79.jpg

图2-24 习题2-13图

习题2-14 如图2-25所示托架,F=20kN,铆钉abc位于等边三角形的三个顶点,直径d=20mm,铆钉为单剪,许用切应力[τ]=100MPa,试校核铆钉强度。(参考答案:τb=84.9MPa,满足强度要求)

习题2-15 如图2-26所示,已知铆钉许用切应力[τ]和许用挤压应力[σbs],若以铆钉连接厚钢板,试求承受单剪时铆钉的合理高细比l/d。(参考答案:l/d=1.57[τ]/[σbs])

习题2-16 如图2-27所示托架,已知F=40kN,钢杆AB的圆截面直径d=20mm,杆BC是工字钢,其横截面面积为1430mm2,钢材的弹性模量E=200GPa。试求托架在力F作用下,节点B的铅垂位移和水平位移。(参考答案:δH=1.1mm,δV=1.3mm)

978-7-111-43425-2-Chapter02-80.jpg

图2-25 习题2-14图

习题2-17 如图2-28所示,一钢丝绳沿铅垂方向绷紧在AB两点间。绳长l=1m,截面积A=1cm2,预应力σ0=100MPa,在l1=0.4m处加一个向下的载荷F,绳的许用应力[σ]=160MPa,试求:(1)E=200GPa时,许用载荷[F]及C点的位移ΔC;(2)若要提高[F],施力点C应取在何处?[F]可以提高至多少?(参考答案:(1)[F]=10kN,ΔC=0.12mm;(2)l1=0.625mm,[F]=16kN)

978-7-111-43425-2-Chapter02-81.jpg

图2-26 习题2-15图

978-7-111-43425-2-Chapter02-82.jpg

图2-27 习题2-16图

978-7-111-43425-2-Chapter02-83.jpg

图2-28 习题2-17图

习题2-18 如图2-29所示钢螺钉1、外套铜管2,其截面积分别为A1A2,弹性模量分别为E1E2,长度均为L,设螺钉丝距为Δ,现将螺帽旋紧半圈,试问:(1)铜管及螺钉的内力各为多少?(2)如果在螺钉两端各加拉力F,铜管与螺钉的内力又各为多少?(参考答案:(1)铜管和螺钉内力都为ΔE1A1E2A2/[2LE1A1+E2A2)];(2)铜管内力为E1A1ΔE2A2+2FL)/[2LE1A1+E2A2)],螺钉内力为E2A2(2FL-ΔE1A1)/[2LE1A1+E2A2)])

习题2-19 如图2-30所示结构中,AB为刚性杆,杆1和杆2的材料与截面面积都相同,长度均为LEA及线胀系数α均为已知,在力F作用下,温度降低ΔT,试求杆1和杆2的内力。(参考答案:FN1=0.64F-0.265αΔTEAFN2=0.113F+1.124αΔTEA

习题2-20 如图2-31所示节点板用四个直径为d=17mm的铆钉固定在立柱上,已知:节点板承受载荷F=20kN,试求各铆钉内的切应力。(参考答案:τad=370.07MPa,τbc=24.14MPa)

978-7-111-43425-2-Chapter02-84.jpg

图2-29 习题2-18图

978-7-111-43425-2-Chapter02-85.jpg

图2-30 习题2-19图

习题2-21 两块厚度均为10mm的钢板,用两个直径均为17mm的铆钉搭接在一起,如图2-32所示,钢板受拉力F=60kN。已知[τ]=140MPa,[σbs]=280MPa,[σ]=160MPa。试校核该铆接件的强度,并确定该接头的许用载荷[F]。(参考答案:τ=132MPa,σbs=176MPa,σ=140MPa,满足强度要求;[F]=63.5kN)

978-7-111-43425-2-Chapter02-86.jpg

图2-31 习题2-20图

978-7-111-43425-2-Chapter02-87.jpg

图2-32 习题2-21图