5.1.3  弯曲切应力计算

5.1.3 弯曲切应力计算

(1)矩形截面梁

矩形截面梁(图5-1)横截面上任意一点处的切应力计算公式为

978-7-111-43425-2-Chapter05-8.jpg

最大切应力发生在横截面的中性轴上,即y=0,且

978-7-111-43425-2-Chapter05-9.jpg

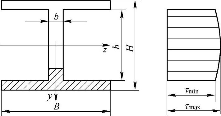
(2)工字形截面梁

978-7-111-43425-2-Chapter05-10.jpg

978-7-111-43425-2-Chapter05-11.jpg

图5-1 矩形截面梁

式中,b为腹板的宽度;Sz为图5-2中阴影部分的面积对中性轴的静矩。

工字形腹板上的切应力的方向也与截面上的剪力FS一致,切应力沿腹板的高度也是按抛物线规律变化,在中性轴上切应力的数值最大。

(3)圆形截面梁

切应力分布规律:截面边缘上各点处切应力的方向与圆周相切,等高度各点处的切应力汇交于一点。

978-7-111-43425-2-Chapter05-12.jpg

图5-2 工字形截面梁

978-7-111-43425-2-Chapter05-13.jpg

式中,bAB弦的长度;Sz为图5-3中所画阴影线的面积对z轴的静矩。在中性轴上,切应力为最大值τmax,且各点的τy就是该点的总切应力,对于中性轴上的点,

978-7-111-43425-2-Chapter05-14.jpg

最后得到 978-7-111-43425-2-Chapter05-15.jpg

(4)梁的切应力强度计算

梁的最大切应力不得超过材料的许用切应力,即

978-7-111-43425-2-Chapter05-16.jpg

切应力的强度计算同样有强度校核、截面设计和许用载荷计算问题。