10.4  习题

10.4 习题

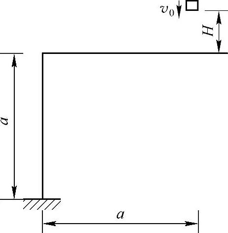
习题10-1 重量为P的重物以初速度v0自由下落在钢架上,如图10-9所示,设钢架的抗弯刚度EI及抗弯截面系数W为已知,试求钢架内的最大正应力。978-7-111-43425-2-Chapter10-47.jpg978-7-111-43425-2-Chapter10-48.jpg

习题10-2 用绳索起吊钢筋混凝土管如图10-10所示。如管子的重量P=10kN,绳索的直径d=40mm,许用应力[σ]=10MPa,试校核绳索的强度。(参考答案:慢慢起吊时,σj=5.26MPa<[σ];突然起吊时,σd=11.2MPa>[σ],因此吊重物必须慢慢起吊)

978-7-111-43425-2-Chapter10-49.jpg

图10-9 习题10-1图

978-7-111-43425-2-Chapter10-50.jpg

图10-10 习题10-2图

习题10-3 如图10-11所示工字钢梁右端置于弹簧上,弹簧刚度系数k=0.8N/mm,梁弹性模量E=200GPa,[σ]=160MPa,重物P自由下落,求许可下落的高度H。(参考答案:H≤49.52mm)

习题10-4 图10-12所示钢轴和钢质圆杆CD的直径为10mm,在D处有一重量为P=10N的重物。已知钢的密度ρ=7.95×103kg/m3。若轴AB的转速n=300r/min,试求杆AB内的最大正应力。(参考答案:σ=77.6MPa)

978-7-111-43425-2-Chapter10-51.jpg

图10-11 习题10-3图

978-7-111-43425-2-Chapter10-52.jpg

图10-12 习题10-4图

习题10-5 重量为P=5kN的重物,自高度h=15mm处自由下落,冲击到外伸梁的C点处,如图10-13所示。已知梁为20b工字钢,其弹性模量E=210GPa。试求梁内最大冲击正应力(不计梁的自重)。(参考答案:σd=134MPa)

习题10-6 图10-14所示装有一均质圆盘的钢轴,已知圆盘的直径D=200mm,重量为500N。AB轴长l=1m,d=60mm,轴的转速为120r/min。试求当轴的A端突然制动时轴内的最大切应力。(参考答案:τdmax=47.7MPa)

978-7-111-43425-2-Chapter10-53.jpg

图10-13 习题10-5图

习题10-7 重为W=1kN的重物自由下落在图10-15所示的悬臂梁上。设梁长l=2m,弹性模量E=200GPa,试求冲击时梁内的最大正应力及梁的最大挠度。(σmax=15MPa,wmax=0.02m)

978-7-111-43425-2-Chapter10-54.jpg

图10-14 习题10-6图

978-7-111-43425-2-Chapter10-55.jpg

图10-15 习题10-7图