LCU 1.4L发动机(2011—2012款爱唯欧,2011—2012款新赛欧装备)

三、LCU 1.4L发动机(2011—2012款爱唯欧,2011—2012款新赛欧装备)

1.正时链单元分解

LCU发动机正时链单元分解图如图1-56所示。

2.正时链单元拆解方法

1)拆下发动机前盖。

2)如图1-57所示,拆下正时链条张紧器螺栓(1)和张紧器(2)。

3)如图1-58所示,拆下正时链条张紧器支撑板螺栓(1)和张紧器支撑板(2)。

4)拆下两个正时链条导板螺栓(1),如图1-59所示。

5)拆下正时链条导板(2),如图1-59所示。

6)拆下正时链条,如图1-60所示。

3.正时链单元安装步骤

1)使用一个呆扳手转动凸轮轴,将凸轮轴凸角(1)定位在图1-61所示位置。

2)确保凸轮轴链轮正时标记(2)按图示定位,见图1-61。

978-7-111-41362-2-Chapter01-55.jpg

图1-55 L95发动机正时带单元分解图

1—活塞环组件 2—活塞 3—活塞销 4—连杆 5—连杆轴承组件 6—连杆螺栓 7—机油尺 8—机油尺导管 9—连接件 10—机油滤清器 11—软管卡箍 12—发动机通风软管 13—发动机通风管 4—螺栓 15—油气分离器衬垫 16—曲轴带轮螺栓 17—垫圈 18—曲轴带轮 19—曲轴齿轮 20—后正时带罩 21—螺栓 22—水泵 23—机油泵 24—发动机体密封圈 25—机油泵体衬垫 26—发动机体 27—限压阀柱塞 28—弹簧 29—机油泵密封圈 30—螺塞 31—曲轴轴承组件 32—曲轴 33—曲轴密封圈 34—飞轮-手动变速驱动桥 35—螺栓-手动变速驱动桥 36—螺栓 37—曲轴位置传感器 38—挠性盘-自动变速驱动桥 39—螺栓-自动变速驱动桥 40—曲轴主轴承盖 41—螺栓 42—螺栓 43—爆燃传感器 44—油底壳 45—螺纹环 46—螺栓 47—螺栓 48—机油吸油管 49—螺栓 50—密封圈 51—正时带 52—盖密封件 53—盖 54—螺栓 55—惰轮 56—后盖螺栓 57—螺栓 58—自动张紧器 59—密封圈 60—螺栓 61—齿轮 62—齿轮 63—盖 64—螺栓 65—进气歧管支架

978-7-111-41362-2-Chapter01-56.jpg

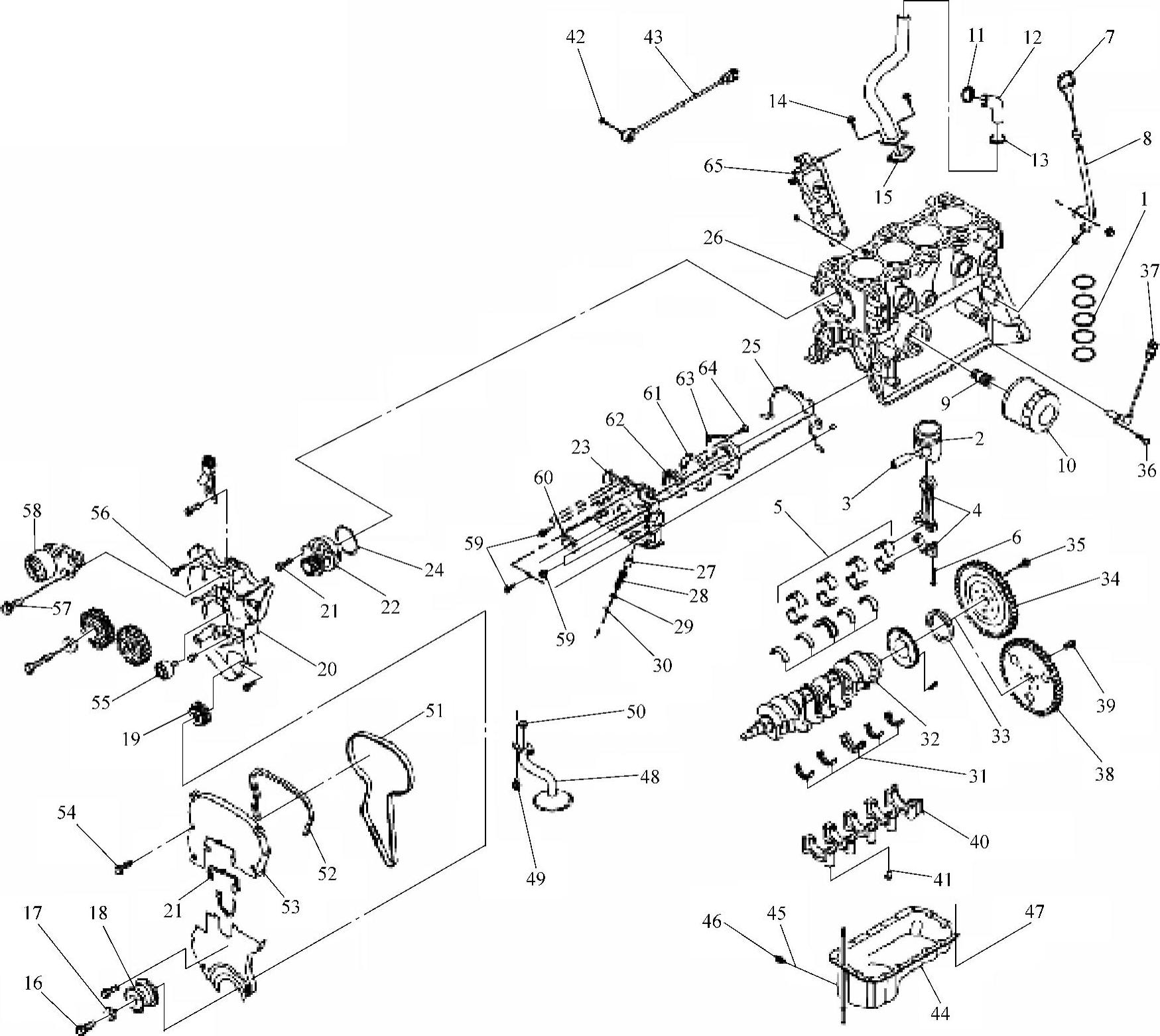
图1-56 LCU发动机正时链单元分解图

1—正时链条 2—凸轮轴链轮(进气) 3—凸轮轴链轮(排气) 4—衬套 5—凸轮轴链轮固定螺栓 6—正时链条支撑板 7—正时链条张紧器 8—正时链条导板 9—曲轴链轮

978-7-111-41362-2-Chapter01-57.jpg

图1-57 拆下张紧器

3)如图1-62所示,将曲轴正时标记对齐至6点钟位置。

4)如图1-63所示,将正时链条安装在进气和排气凸轮轴链轮和曲轴链轮上。

5)确保凸轮轴正时标记和以颜色编码的正时链节(1)对齐,如图1-63所示。

6)确保曲轴正时标记和以颜色编码的正时链节(2)对齐,如图1-63所示。

978-7-111-41362-2-Chapter01-58.jpg

图1-58 拆下张紧器支撑板

978-7-111-41362-2-Chapter01-59.jpg

图1-59 拆下正时链导板

978-7-111-41362-2-Chapter01-60.jpg

图1-60 拆下正时链条

978-7-111-41362-2-Chapter01-61.jpg

图1-61 凸轮轴正时对准

978-7-111-41362-2-Chapter01-62.jpg

图1-62 曲轴正时标记对准

978-7-111-41362-2-Chapter01-63.jpg

图1-63 安装正时链条

7)安装正时链条导板支撑板。

8)安装正时链条导板支撑板螺栓,并紧固至10N·m(89lbf·in).

9)安装正时链条张紧器支撑板。

10)安装正时链条张紧器支撑板侧螺栓,并紧固至10N·m(89lbf·in)。

11)压住正时链条张紧器(1),并安装EN-50534销(3)以固定压住的张紧器,如图1-64所示。

12)安装正时链条张紧器。

13)安装正时链条张紧器螺栓(2),并紧固至10N·m(89lbf·in),如图1-64所示。

978-7-111-41362-2-Chapter01-64.jpg

图1-64 安装正时链张紧器

14)拆下EN-50534销。

15)安装发动机前盖。