L13A31.3L/L15A11.5L发动机(2011—2012款理念S1装备)

一、L13A31.3L/L15A11.5L发动机(2011—2012款理念S1装备)

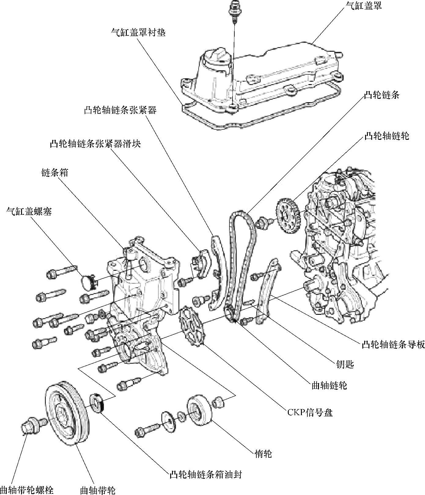
1.正时带单元分解

发动机正时链单元分解图如图11-112所示。

2.正时链单元的拆卸方法

1)转动曲轴带轮,使其上止点(TDC)标记(A)与指针(B)对准,如图11-113所示。

2)拆下气缸盖罩。

3)1缸活塞在压缩行程上止点位置时,检查凸轮轴链轮上的“UP”标记(A)应在顶部,并且凸轮轴链轮上的TDC凹槽(B)应与气缸盖的顶部边缘对准,如图11-114所示。

4)拆下右前轮。

5)拆下挡泥板。

6)松开水泵带轮安装螺栓。

7)拆下传动带。

8)拆下交流发电机托架安装螺栓,并松开交流发电机安装螺栓。

9)拆下惰轮。

10)拆下水泵带轮。

11)拆下曲轴带轮。

12)拆下油底壳。

13)断开CKP传感器插接器,然后拆下线束夹。

14)在发动机气缸体下放置一个千斤顶和木块,以支撑发动机。

15)拆下搭铁电缆,然后拆下发动机侧支座/托架总成。

16)使交流发电机远离链条箱。拆下链条箱,然后拆下CKP传感器脉冲板。

17)测量凸轮轴链条分离间距。如果间距小于维修极限,更换凸轮轴链条和凸轮轴张紧器。

标准距离:19mm。

维修极限:15mm。

18)在凸轮轴链条张紧器滑块的滑动表面上涂抹新的发动机机油。

19)用旋具夹住凸轮轴链条张紧器滑块,然后拆下上螺栓,并松开下螺栓。

20)拆下凸轮轴链条张紧器滑块。

21)拆下凸轮轴链条张紧器和凸轮轴链条导板。

22)拆下凸轮轴链条。

3.正时链单元安装步骤

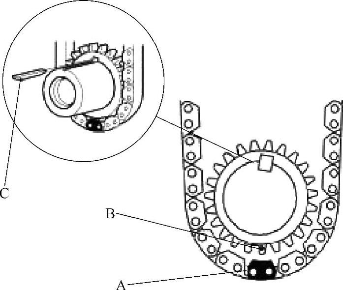
1)将曲轴置于上止点(TDC)。将曲轴链轮上的TDC标记(A)与机油泵上的指针(B)对准,如图11-115所示。

2)拆下曲轴链轮(C),如图11-115所示。

3)将1缸活塞固定在压缩行程TDC位置。凸轮轴链轮上的“UP”标记(A)应在顶部,并且凸轮轴链轮上的TDC凹槽(B)应与气缸盖的顶部边缘对准,如图11-116所示。

978-7-111-41362-2-Chapter11-114.jpg

图11-112 发动机正时链单元分解图

978-7-111-41362-2-Chapter11-115.jpg

图11-113 设置1缸于TDC位置

978-7-111-41362-2-Chapter11-116.jpg

图11-114 检查1缸活塞是否在TDC位置

978-7-111-41362-2-Chapter11-117.jpg

图11-115 将曲轴置于TDC位置

978-7-111-41362-2-Chapter11-118.jpg

图11-116 凸轮轴链轮正时标记对齐

4)将凸轮轴链条安装在曲轴链轮上,使涂色的链节(A)与曲轴链轮上的TDC标记(B)对准,然后用键(C)将曲轴链轮安装到曲轴上。如图11-117所示。

978-7-111-41362-2-Chapter11-119.jpg

图11-117 曲轴链轮正时标记与链节对准

5)L13A3发动机:将凸轮轴链条安装到曲轴链轮上,使指针(A)对准两个涂色链节(B)的中间,如图11-118所示。

978-7-111-41362-2-Chapter11-120.jpg

图11-118 凸轮轴链轮标记与链节对准

6)L15A1发动机:将凸轮轴链条安装到曲轴链轮上,使指针(A)与三个涂色链节(B)对准,如图11-119所示。

978-7-111-41362-2-Chapter11-121.jpg

图11-119 凸轮轴链轮标记与链节对准

7)将新的发动机机油涂抹到凸轮轴链条张紧器安装螺栓的螺纹上。

8)安装凸轮轴链条张紧器和凸轮轴链条导板。

9)安装凸轮轴链条张紧器滑块,并松松地安装螺栓。

10)在凸轮轴链条张紧器滑块的滑动表面上涂抹新的发动机机油。

11)顺时针转动凸轮轴链条张紧器滑块以压紧凸轮轴链条张紧器,安装剩余的螺栓,然后紧固螺栓至规定力矩。

12)检查凸轮轴链条箱油封是否损坏。如果油封损坏,更换凸轮轴链条箱油封。

13)将所有旧的密封胶从链条箱接合面、螺栓和螺栓孔上清除。

14)清洁并风干链条箱接合面。

15)在气缸盖和链条箱的发动机气缸体接合面与螺栓孔内缘涂抹密封胶(P/N 08C70-K0334M)。涂抹密封胶后5min内安装零部件。

16)安装CKP传感器脉冲板和链条箱。

注意:加注发动机机油前,至少等待30min。安装链条箱后,至少3h内不要运行发动机。

17)紧固铰链箱安装螺栓。清除链条箱接合部位多余的密封胶。

18)安装气缸盖罩。

19)安装线束夹,并连接CKP传感器插接器。

20)安装发动机侧支座/托架总成。

21)安装搭铁电缆。

22)从发动机气缸体上拆下千斤顶和木块。

23)安装油底壳。

24)安装曲轴带轮。

25)安装水泵带轮,并松松地安装水泵带轮安装螺栓。

26)安装惰轮。

27)安装交流发电机托架安装螺栓。

28)安装传动带。

29)拧紧水泵带轮安装螺栓。

30)安装挡泥板。

31)安装右前轮。

32)执行CKP模式清除/CKP模式学习程序。