【实验原理】
1.整流电路
整流电路可分为半波整流、全波整流、桥式整流电路三大类。
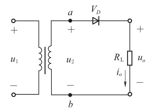
(1)半波整流原理。半波整流电路是一种最简单电路,电路组成如图2-40所示。设二极管VD为理想二极管,RL为纯电阻负载。
设信号发生器输出交流电频率为ω,电压为u1,经变压器后电压为u2,u2即为整流电路需要的交流电压,若u2的有效值为U2,则

在u2正半周,a端电位高于b端电位,故VD导通。电流流经的路径为a端→VD→RL→b端,若忽略变压器次级内阻,则RL端电压为

在u2负半周,a端电位低于b端电位,故VD截止。且uo=0,u2及uo波形如图2-41所示。由图可见,正弦交流电压u2经半波整流后变为单一方向直流电压uo。

图2-40 半波整流电路图

图2-41 半波整流电路波形图
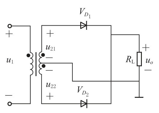
(2)全波整流原理。全波整流电路如图2-42所示,变压器的中心抽头将次级电压分成对称的两部分u21、u22且u21=-u22。在交流电压的一个周期内,二极管VD1、VD2将轮流导通半个周期,使输出电压uo为全波整流波形,如图2-43所示。

图2-42 全波整流电路图

图2-43 全波整流电路波形图
(3)桥式整流原理。桥式整流电路如图2-44所示。与全波整流电路相比,桥式整流电路的变压器次级无中心抽头,但二极管数目增加,由四个二极管VD1~VD4构成整流桥。仍设为,VD1~VD4均为理想二极管。
u2正半周,a端电位高于b端电位,故VD1、VD3导通,VD2、VD4截止。电流流经的路径为a端→VD1→RL→VD3→b端[如图2-44中实心箭头所指];u2负半周,b端电位高于a端电位,VD2、VD4导通,VD1、VD3截止,电流路径为b 端→VD2→RL→VD4→a端(流经负载RL时方向如图2-44中空心箭头所指)。即两对交替导通的二极管引导正负、半周电流在整个周期内以同一方向流过负载,u2及uo波形如图2-45所示。

图2-44 桥式整流电路图

图2-45 桥式整流电路波形图
※二极管的选择(选读内容)
桥式整流电路对二极管的参数要求有两项:
1)最大整流电流IF。流过每个二极管的电流平均值

考虑到电网电压可能有±10%的波动,故应保证

2)最大反向电压UR。
每个二极管截止时承受最大反向电压为

考虑到电网电压可能有±10%的波动,故应保证

2.滤波电路
(1)电容滤波原理。在桥式整流电路基础上,输出端并联一个电容C 就构成了电容滤波电路,如图2-46所示。下面分析并联电容C 之后输出电压uo会有怎样的变化。在u2正半周,未并联C 之前,VD1、VD3始终导通,VD2、VD4始终截止。并联C 之后,VD2、VD4仍然截止,但VD1、VD3导通与否则要取决于u2和uc(设电容上已充有一定的电压uc)之间的数值的大小。只有当u2>uc时VD1、VD3才导通,u2向C 充电,若忽略变压器次级内阻和二极管正向压降,则uc(uo)的波形如图2-47中的ab 段;u2到达峰值后开始按正弦规律下降,充电后的电容C 也通过负载RL放电,uc按指数规律下降,两者在下降初期的波形基本吻合,如图2-47中的bc 段;此后两者下降的速度的快慢差别开始显现,u2按正弦规律下降的速度大于uc按指数规律下降的速度,当u2<uc时,VD1、VD3因反偏而截止,C 则继续通过RL放电,uc的波形如图2-47中的cd 段。u2负半周的分析情况类似,只不过VD1、VD3始终截止而VD2、VD4在部分时间内导通。可见电容滤波是通过电容的储能作用(充放电过程)即在u2升高时,把部分能量储存起来(充电),在u2降低时,又把储存的能量释放出来(放电)从而在负载RL上得到一个比较平滑的、近似锯齿形的输出电压uo,使脉动程度大为降低,且平均值提高。

图2-46 桥式整流滤波电路

图2-47 桥式整流滤波电路波形图
※使用电容滤波电路注意要点(选读内容)
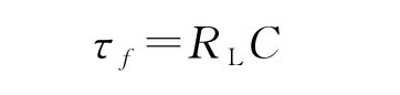
若整流电路内阻(即变压器次级内阻与二极管导通内阻之和)为R',则电容的充电时间常数

放电时间常数

通常RL≫R',故滤波效果取决放电时间常数τf。C 和RL越大,τf就越大,电路放电过程更缓慢,因而输出电压更平滑,平均值更高。一般情况下,输出电压平均值

1)电容滤波适用负载电流Io较小且变化不大的场合。Io=0时,;随着Io的增大(或负载RL的减小),C 的放电时间常数τf减小,放电加速,Uo将明显减小。
2)所需电容容量较大,应满足RLC≥2T 的条件,由于一般采用电解电容,要特别注意正负极性不能接反,否则电容会被击穿。
3)流过每个二极管的冲击电流很大。在选择二极管时应选择最大整流电流IF较大管子。
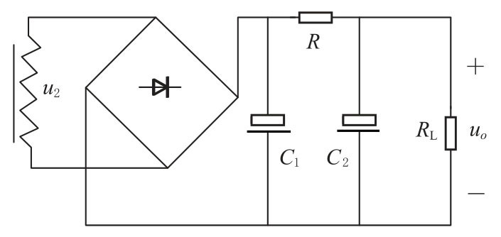
(2)RC-π型滤波电路
为进一步提高滤波效果,使输出电压脉动更小,常采用复式滤波的方法,如RC-π型、LC-π型等。图2-48所示为桥式整流RC-π型滤波电路。

图2-48 桥式整流RC-π型滤波电路
RC-π型滤波电路与电容滤波电路相比,其输出电压脉动更小,但在Io增加时输出电压随之减小,实际电路中以电容滤波应用最为广泛。
3.三端集成稳压器
三端集成稳压器因其体积小、性能稳定、价格低廉、使用方便,目前得到广泛应用。所谓“三端”,就是该集成稳压器只有三个引出端,因而以最简单方式接入电路。三端集成稳压器按功分能为固定式(如W78××)和可调式(如W117)两类,如图2-49和图2-50所示。

图2-49 W78××系列

图2-50 W117
(1)W78××系列三端集成稳压器。W78××系列芯片的输出电压为固定值,有5V、6V、9V、12V、18V、24V 几种,其型号的后两位数表示输出电压;输出电流有1.5A(W78××)、0.5A(W78M××)和0.1A(W78L××)三种。如W 7805就表示出电压为5V,最大输出电流为1.5A。
W78××的输出电压Uo为某一固定值,等于输出端(2端)与公共端(3端)之间的电位差,即Uo=U23,其中Uo允许有±5%的偏差。为了使三端集成稳压器能正常工作,Ui与Uo之差应大于3~5V,且Ui≤35V,如图2-51所示。C1和C2用于防止自激振荡,减小高频噪声和改善负载的瞬间响应。
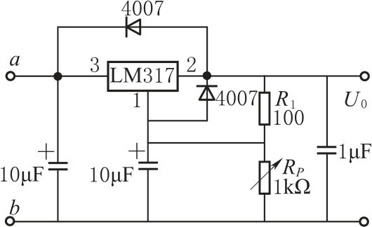
(2)LM317是一种只需外接很少元件且能输出可调电压的三端集成稳压器,输出电流有1.5A(LM317)、0.5A(LM317M)和0.1A(LM317L)三种。
4.直流稳压电源
直流稳压电源一般由整流电路、滤波电路和稳压电路三部分组成,如图2-52所示。

图2-51 W78××基本应用电路

图2-52 直流稳压电源方框图
整流电路是利用二极管的单向导电性,将交流电转变为脉动的直流电;滤波电路是利用电抗性元件(电容、电感)的储能作用,以平滑输出电压;稳压电路的作用是保持输出电压的稳定,使输出电压不随电网电压、负载和温度的变化而变化。
下面我们讨论由LM317和LM7812组成的直流稳压电路。
(1)由LM317三端可调式集成稳压器组成的直流稳压电路。图2-53所示为三端可调式集成稳压器,其管脚分为调整端、输入端和输出端,调节电位器Rp的阻值便可以改变输出电压的大小,由于它的输出端和可调端之间具有很强的维持1.25V 电压不变的能力,所以R1上的电流值基本恒定,而调整端的电流非常小,且恒定,故将其忽略,那么输出电压为

(2)由W7812三端集成稳压器组成的直流稳压电路。集成稳压器组成的稳压电源如图2-54所示,其工作原理与由分立元件组成的串联型稳压电源基本相仿,只是稳压电路部分由三端稳压块代替,整流部分由4个二极管组成的全波整流电路代替(图2-54中简化了),使电路的组装与调试工作大为简化。

图2-53 三端可调式集成稳压器电路

图2-54 集成稳压器组成的稳压电源