【实验原理】
1.铁磁材料的磁滞性质
铁磁物质是一种性能特异,用途广泛的材料。铁、钴、镍及其众多合金以及含铁的氧化物(铁氧体)均属铁磁物质。其特征是在外磁场作用下能被强烈磁化,故磁导率μ 很高。另一特征是磁滞,即磁化场作用停止后,铁磁质仍保留磁化状态。当材料磁化时,磁感应强度B 不仅与当时的磁场强度H 有关,而且决定于磁化的历史情况,图3-42为铁磁物质的磁感应强度B 与磁化场强度H 之间的关系曲线。

图3-42 B-H 关系曲线
曲线OA 表示铁磁材料从没有磁性开始磁化,磁感应强度B 随H 的增加而增加,称为初始磁化曲线。当H 增加到某一值HS时,B 几乎不再增加,说明磁化已达到饱和。材料磁化后,如使H 减小,B 将不沿原路返回,而是沿另一条曲线AC'A'下降。当H 从-HS增加时,B 将沿A'CA 曲线到达A,形成一闭合曲线,该闭合曲线称为磁滞回线,其中H=0时,|B|=Br,Br称为剩余磁感应强度。要使磁感应强度B 为零,就必须加一反向磁场-Hc,Hc称为矫顽力。各种铁磁材料有不同的磁滞回线,主要区别在于矫顽力的大小,矫顽力大的称为硬磁材料,矫顽力小的称为软磁材料。
由于铁磁材料的磁滞特性,磁性材料所处的某一状态必然和它的历史有关。为了使样品的磁特性能重复出现,也就是指所测得的基本磁化曲线都是由原始状态(H=0,B=0)开始,在测量前必须进行退磁,以消除样品中的剩余磁性。
当初始态为H=B=0的铁磁材料,在交变磁场强度由弱到强依次进行磁化,可以得到面积由小到大向外扩张的一簇磁滞回线,如图3-43所示,这些磁滞回线顶点的连线称为铁磁材料的基本磁化曲线,由此可近似确定其磁导率μ=B/H,因B 与H 非线性,故铁磁材料的μ 不是常数而是随H 而变化的,如图3-44所示。铁磁材料的相对磁导率可高达数千乃至数万,这一特点是它用途广泛的主要原因之一。

图3-43 一簇磁滞回线

图3-44 铁磁材料μ 与H 并系曲线
可以说磁化曲线和磁滞回线是铁磁材料分类和选用的主要依据,图3-45 为常见的两种典型的磁滞回线,其中软磁材料的磁滞回线狭长,矫顽力、剩磁和磁滞损耗均较小,是制造变压器、电机、和交流磁铁的主要材料。而硬磁材料的磁滞回线较宽,矫顽力大,剩磁强,可用来制造永磁体。

图3-45 不同铁磁材料的磁滞回线
2.示波器测量磁滞回线的原理
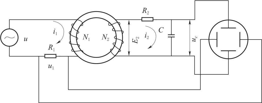
图3-46所示为示波器测动态磁滞回线的原理电路。将样品制成闭合的环形,然后均匀地绕以磁化线圈N1及副线圈N2,即所谓的罗兰环。将交流电压u 加在磁化线圈上,R1为取样电阻,其两端的电压u1加到示波器的X 输入端上。副线圈N2与电阻R2和电容串联成一回路。电容C 两端的电压uc加到示波器的Y 输入端上。

图3-46 用示波器测动态磁滞回线的原理电路
(1)u1(X 轴输入)与磁场强度H 成正比。若样品的平均周长为l,磁化线圈的匝数为N1,磁化电流为i1(瞬时值),根据安培环路定理,有Hl=N1i1,而u1=R1i1,所以

由于式中R1、l和N1皆为常数,因此,该式清楚地表明示波器荧光屏上电子束水平偏转的大小(u1)与样品中的磁场强度(H)成正比。
(2)uC(Y 轴输入)在一定条件下与磁感应强度B 成正比。设样品的截面积为S,根据电磁感应定律,在匝数为N2的副线圈中,感应电动势为

此外,在副线圈回路中的电流为i2且电容C 上的电量为q 时,又有

考虑到副线圈匝数N2较小,因而自感电动势未加以考虑,同时,R2与C 都做成足够大,使电容C 上的电压降(uC=q/C)比起电阻上的电压降R2i2小到可以忽略不计。于是式(3-38)可以近似地改写为

将关系式代入式(3-39),得

将式(3-40)与式(3-37)比较,不考虑其负号(在交流电中负号相当于相位差±π)时,应有

将等式两边对时间积分,由于B 和uc都是交变的,故积分常数为0。整理后得

由于N2、S、R2和C 皆为常数,因此该式表明了示波器的荧光屏上竖直方向偏转的大小(uc)与磁感应强度(B)成正比。
由此可见,在磁化电流变化的一周期内,示波器的光点将描绘出一条完整的磁滞回线,并在以后每个周期都重复此过程,这样在示波器的荧光屏上将看到一稳定的磁滞回线图形。
(3)测量标定。本实验不仅要求能用示波器显示出待测材料的动态磁滞回线,而且要能使用示波器定量观察和分析磁滞回线。测动态磁滞回线实际电路如图3-47所示。因此,在实验中还需确定示波器荧光屏上X 轴(即H 轴)的每一小格实际代表多少磁场强度,Y 轴(即B 轴)的每一小格实际代表多少磁感应强度,这就是测量标定问题。

图3-47 测动态磁滞回线实际电路
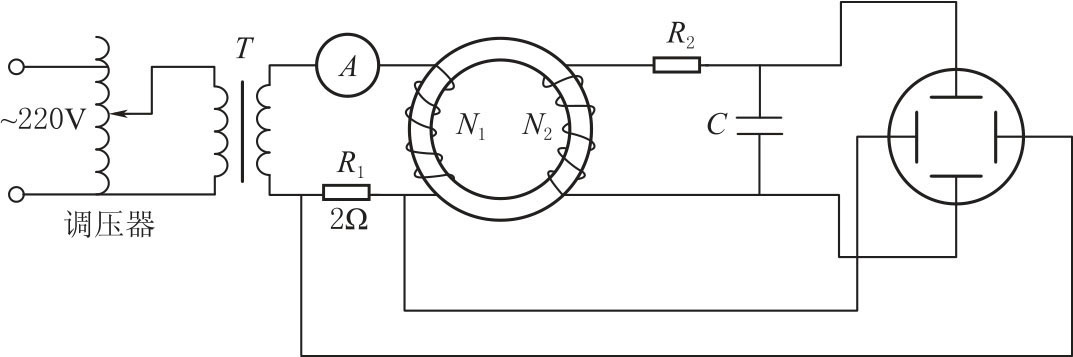
1)X 轴(H 轴)标定。X 轴标定操作的目的是标定H。具体而言就是确定示波器荧光屏X 轴(即H 轴)的每一小格实际代表多少磁场强度。由式(3-36)可见,若设法测出光点沿X 轴偏转的大小与电压u1的关系,就可确定H。具体标定H 的线路图如图3-48所示。其中交流电表A 用于测量I0(请注意A 的指示是i0的有效值I0)。调节I0使荧光屏上水平线长度为Mx格,它对应于u1且为峰值,即,因此,每一小格所代表的u1值为
。这样由式(3-36)就可知荧光屏每一小格所代表的磁场强度H 是


图3-48 X 轴(H 轴)标定线路图
值得注意的是,标定线路中应将被测样品去掉,而代之以一纯电阻R0。这主要是因为被测样品铁磁材料的B 和H 的关系是非线性的,从而使电路中的电流产生非正弦形畸变。R0起限流作用,标定操作中应使I0不超过R0允许的电流。
2)Y 轴(B 轴)标定。Y 轴标定操作的目的是标定B,具体而言就是确定Y 轴(B 轴)的每一小格实际代表多少磁感应强度。具体标定B 的线路如图3-49所示。图中M 是一个标准互感器。

图3-49 Y 轴(B 轴)标定线路图
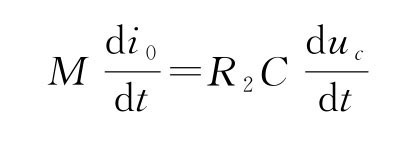
流经互感器原边的瞬时电流为i0,则互感器副边中的感应电动势E0为

类似于式(3-40),又有

对上式两边积分,可得

由于A 测出的是i0的有效值I0,所以对应于uc的有效值UC,有

而相应的峰峰值为。
若此时对应uc峰峰值的垂直线总长度为My,则根据式(3-41)可得,Y 轴每一小格所代表的磁感应强度为

应注意实验中,不要使I0超过互感器所允许的额定电流值。