【附录】
集成温度传感器AD590和LM35
1.电流型集成温度传感器——AD590
(1)AD590概述。AD590是美国模拟器件公司生产的单片集成两端感温电流源。如图4-4所示。它的主要特性如下。

图4-4 AD590引脚
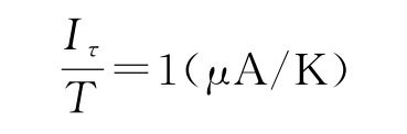
1)流过器件的电流(μA)等于器件所处环境的热力学温度(开尔文)度数,即

式中:Iτ为流过器件(AD590)的电流,μA;T 为热力学温度,K。
2)AD590的测温范围为-55~+150℃。
3)AD590的电源电压范围为4~30V。电源电压可在4~6V 范围变化,电流Iτ变化1μA,相当于温度变化1K。AD590可以承受44V 正向电压和20V 反向电压,因而器件反接也不会被损坏。
4)输出阻抗>10MΩ。
5)精度高。AD590共有I、J、K、L、M 五挡,其中M 挡精度最高。
在-55~+150℃范围内,非线性误差为±0.3℃。AD590测量热力学温度、摄氏温度、两点温度差、多点最低温度、多点平均温度的具体电路,广泛应用于不同的温度控制场合。由于AD590精度高、价格低、不需辅助电源、线性好,常用于测温和热电偶的冷端补偿。
(2)AD590的应用电路。
1)基本应用电路。图4-5是AD590用于测量热力学温度的基本应用电路。因为流过AD590的电流与热力学温度成正比,当电阻R1和电位器R2的电阻之和为1kΩ 时,输出电压V0随温度的变化为1mV/K。由于AD590的增益有偏差,电阻也有误差,因此应对电路进行调整。调整的方法为:把AD590放于冰水混合物中,调整电位器R2,使V0=273.2mV。或在室温下(25℃)条件下调整电位器,使V0=273.2+25=298.2(mV)。但这样调整只可保证在0℃或25℃附近有较高精度。

图4-5 基本电路
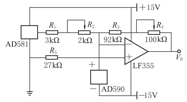
2)摄氏温度测量电路。
如图4-6所示,电位器R2用于调整零点,R4用于调整运算放大器LF355的增益。调整方法如下:在0℃时调整R2,使输出V0=0,然后在100℃时调整R4使V0=100mV。如此反复调整多次,直至0℃时,V0=0mV,100℃时V0=100mV为止。最后在室温下进行校验。例如,若室温为25℃,那么V0应为25mV。冰水混合物是0℃环境,沸水为100℃环境。
要使图4-6中的输出为200mV/℃,可通过增大反馈电阻(图中反馈电阻由R3与电位器R4串联而成)来实现。AD581是高精度集成稳压器,输入电压最大为40V,输出电压为10V。
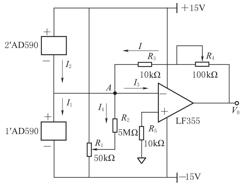
3)温差测量电路及其应用。图4-7是利用两个AD590测量两点温度差的电路。在反馈电阻为100kΩ 的情况下,设1号和2号AD590处的温度分别为t1(℃)和t2(℃),则输出电压为


图4-6 摄氏温度测量电路

图4-7 温差测量电路
图中电位器R2用于调零。电位器R4用于调整运算放大器LF355的增益。
由基尔霍夫电流定律:I+I2=I1+I3+I4 (4-8)
由运算放大器的特性知:I3=0 (4-9)
调节调零电位器R2,使:I4=0 (4-10)
由式(4-8)~式(4-10)得:I=I1-I2
设R4=90kΩ,则有
V0=I(R3+R4)=(I1-I2)(R3+R4)=(t1-t2)100(mV/℃) (4-11)
其中(t1-t2)为温度差,单位为℃。由式(4-11)知,改变(R3+R4)的值可以改变V0的大小。
2.电压型集成温度传感器——L M35
L M35是National Semiconductor生产的集成温度传感器,如图4-8所示。其输出电压值与摄氏温标呈线性关系,在0℃时其电压输出为0V,温度每升高1℃时其电压输出就增加10 mV。在常温下,L M35 不需要额外的校准处理,其精度就可达到±1/4℃的准确率。L M35的测温范围是-55~150℃。

图4-9为单电源模式;图4-10为正负双电源模式,图4-10中R1=-Vs/50μA。

图4-8 L M35引脚

图4-9 单电源模式

图4-10 正负双电源模式