【实验原理】
R、L、C 组件的不同组合,可以构成RC、RL、LC 和RLC 电路,这些不同的电路对阶跃电压的响应是不同的,从而有一个从一种平衡态转变到另一种平衡态的过程,这个转变过程即为暂态过程。
1.RC 电路
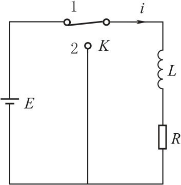
在由电阻R 及电容C 组成的直流串联电路中,暂态过程即是电容器的充放电过程,如图3-33所示,当开关K 打向位置1时,电源对电容器C 充电,直到其两端电压等于电源电压E,在充电过程中回路方程为

考虑到初始条件t=0时,uC=0,得到方程的解:

此解表示电容器两端的充电电压是按指数增长的一条曲线,稳态时电容两端的电压等于电源电压E,如图3-34(a)所示。式中RC=τ 具有时间量纲,称为电路的时间常数,是表征暂态过程进行得快慢的一个重要的物理量,由电压uc上升到0.63E 所对应的时间即为τ。

图3-33 RC 电路

图3-34 RC 电路的充放电曲线
当把开关K 打向位置2时,电容C 通过电阻R 放电,回路方程为

结合初始条件t=0时,uC=E,得到方程的解:

此解表示电容器两端的放电电压按指数规律衰减到0,τ 也可由此曲线从E 衰减到0.37E 所对应的时间来确定。充放电曲线如图3-34所示。
2.RL 电路
RL 电路由电阻R 及电感L 串联组成,如图3-35所示。

图3-35 RL 电路
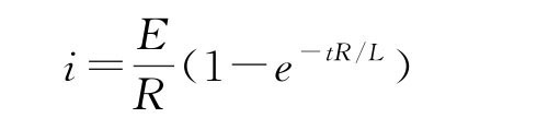
当开关K 置于1时,由于电感L 的自感作用,回路中的电流不能瞬间突变,而是逐渐增加到最大值E/R。回路方程为

考虑到初始条件t=0时,i=0,可得方程的解:

可见,回路电流i是经过一指数增长过程,逐渐达到稳定值E/R 的。i 增长的快慢由时间常数τ=L/R 决定,如图3-36(a)所示。
当开关K 打到位置2时,电路方程为

由初始条件t=0,i=E/R,可以得到方程的解:

此解表示回路电流i从E/R 按指数逐渐衰减到0,如图3-36(b)所示。
3.RLC 电路
以上讨论的都是理想化的情况,即认为电容和电感中都没有电阻,可实际上不但电容和电感本身都有电阻,而且回路中也存在回路电阻,这些电阻是会对电路产生影响的,电阻是耗散性组件,将使电能单向转化为热能。可以想象,电阻的主要作用就是把阻尼项引入到方程的解中。
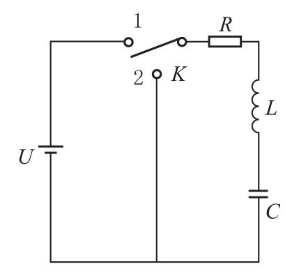
充电过程:在一个由电阻R、电容C 及电感L 组成的直流串联电路中(图3-37),当把开关K 置于1时,电源对电容器进行充电,回路方程为

图3-36 回路电流变化过程

图3-37 串联RLC 电路

对上式求微分得

放电过程:当电容器被充电到U 时,将开关K 从位置1打到位置2,则电容器在闭合的RLC 回路中进行放电。此时回路方程为

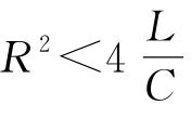
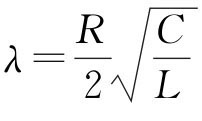
令,λ 称为电路的阻尼系数,那么由充放电过程的初始条件:充电,t=0时,i=0,uC=0;放电t=0时,i=0,uC=U,方程(3-33)、方程(3-34)的解可以有三种形式:
(1)阻尼较小时,λ<1,即,有

由上述各式可知,电路中的电压、电流均按正弦律作衰减(或称欠阻尼)振荡状态。如图3-38中的曲线a 所示的周期性衰减振荡曲线。

图3-38 RLC 电路对阶跃电压的响应
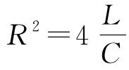
(2)临界阻尼状态,当λ=1时,即,此时方程的解如下。

由上各式可见,此时电路中各物理量的变化过程不再具有周期性,振荡状态如图3-38中曲线b 所示,这时的电阻值称为临界阻尼电阻。
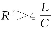
(3)过阻尼状态,λ>1,即,方程的解如下。

式中,此时为阻尼较大的情况,此时电路的电压电流不再具有周期性变化的规律,而是缓慢地趋向平衡值,且变化率比临界阻尼时的变化率要小(图3-38中曲线c)。