【实验内容】
1.RC 电路的暂态过程
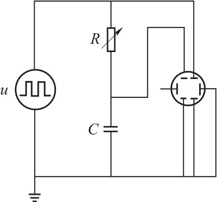
(1)按图3-39接线,令方波信号输出频率f=500Hz,将方波信号接入示波器Y1输入端,观察记录方波波形。

图3-39 RC 电路的暂态过程接线图
(2)观察电容器上电压随时间的变化关系。将uC接到示波器Y2输入端,电容C 取0.047μF。改变R 的阻值,使τ 分别为τ≪T/2,τ=T/2,τ≫T/2,T 是输入方波信号的周期,观察并记录这三种情况下uC的波形,并分别解释uC的变化规律。
(3)测量时间常数τ,先以信号发生器为标准信号来校准双踪示波器的x 轴时基。改变R 的阻值,分别使T/2=3τ,4τ,5τ,6τ,7τ,利用示波器的X 轴时基,测量每种情况下的τ 值,用作图法讨论τ 随R 的变化规律,并与τ 的定义τ=RC 进行比较。
2.RL 电路的暂态过程
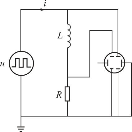
按照图3-41所示连接电路,固定方波频率f=500Hz,电感L 为10mH,电阻R 的取值范围100~10K 可调。参照实验内容1中的步骤,观测三种不同τ 值情况下,uR和uL的波形,并讨论τ 值随R 变化的规律,与理论公式进行比较。
3.RLC 电路的暂态过程
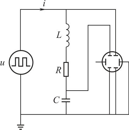
(1)电路连接如图3-41所示,用示波器观察uC,为了清楚地观察到RLC 阻尼振荡的全过程,需要适当调节方波发生器的频率,电感L 取10mH,电容C取0.047μF,计算三种不同阻尼状态对应的电阻值范围。
(2)合适的R 值,使示波器上出现完整的阻尼振荡波形。
1)测量振荡周期T 及衰减常数时间τ。

图3-40 RL 电路的暂态过程接线图

图3-41 RLC 串联电路的暂态过程接线图
2)改变R 的值,观察振荡波形的变化情况,并加以讨论。
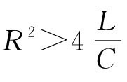
(3)观察临界阻尼状态。逐步加大R 值,当uC的波形刚刚不出现振荡时,即处于临界状态,此时回路的总电阻就是临界电阻,与用公式所计算出来的总阻值进行比较。
(4)观察过阻尼状态。继续加大R,即处于过阻尼状态,观察不同R 对uC波形的影响。