【实验原理】
1.电压、电流表工作原理及参考电路
在进行测量时,电表的接入应不影响被测电路的原工作状态,这就要求电压表应具有无穷大的输入电阻,电流表的内阻应为零。但实际上,万用表表头的可动线圈总有一定的电阻,如像100μA 的表头,其内阻R 约为2kΩ(可以用比较法或代替法测出)用它进行测量时将影响被测物理量,引起误差。此外,交流电表中的整流二极管的压降和非线性特性也会产生误差。如在万用电表中使用运算放大器,就能大大降低这些误差,提高测量精度。
(1)直流电压表。
图3-27为同相输入、高精度直流电压表电原理图。

图3-27 直流电压表
为了减小表头参数对测量精度的影响,将表头置于运算放大器的反馈回路中,这时,流经表头的电流与表头的参数无关,只要改变R1一个电阻,就可进行量程的切换。只要知道要转换的最大量程Uimax,即可得到R1=Uimax/Imax。实际设计的过程中可以把R1用标准电阻或一个定值电阻串联一个电位器来进行调节,以得到转换量程。
表头电流I 与被测电压Ui的关系为

应当指出,图3-27适用于测量电路与运算放大器共地端的有关电路。此外,当被测电压较高时,在运算放大器的输入端应设置衰减器。
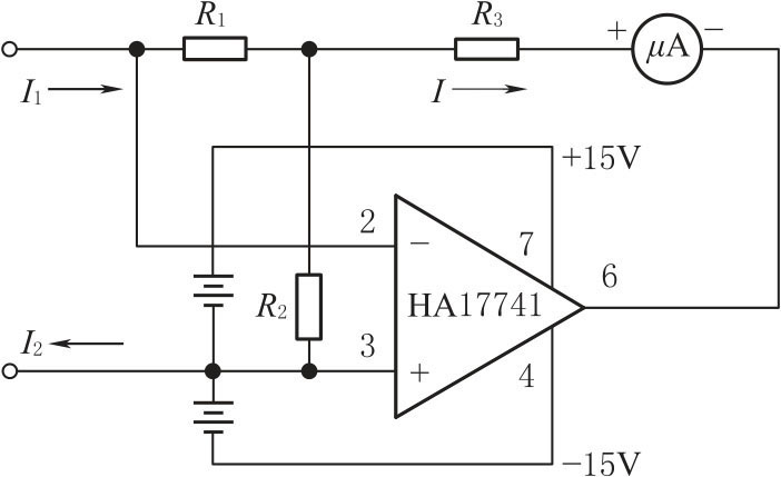
(2)直流电流表。图3-28是浮地直流电流表的电原理图。

图3-28 直流电流表
在电流测量中,浮地电流的测量是普遍存在的。例如:若被测电流无接地点,就属于这种情况。为此,应把运算放大器的电源也对地浮动,按此种方式构成的电流表就可像常规电流表那样,串联在任何电流通路中测量电流。
表头电流I 与被测电流I1间关系为

可见,改变电阻比R1/R2,可调节流过电流表的电流,以提高灵敏度。如果被测电流较大时(大于100μA),应给电流表的表头并联分流电阻(用4.7kΩ 电位器调节)。实际设计时,通过改变R1/R2的值,并在表头并联分流电阻来调节。
得到要设计的量程。注意先计算好参数范围后再连线设计,不要用来测量大电流。设计时,可以在电流回路中串接标准电流表来观察实际测量电流值并校准改装表头。遵循“先接线,再检查,再通电;先关电,再拆线”的原则,确保器件安全。

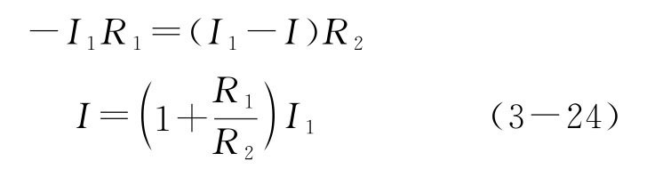
图3-29 交流电压表
(3)交流电压表。由运算放大器、二极管整流桥和直流毫安表组成的交流电压表,如图3-29所示。被测交流电压Ui加到运算放大器的同相端,故有很高的输入阻抗,又因为负反馈能减少反馈回路中的非线性影响,故把二极管桥路和表头置于运算放大器的反馈回路中,以减小二极管本身非线性的影响。
表头电流I 与被测电压Ui的关系为

电流I 全部流过桥路,其值仅与Ui/R1有关,与桥路和表头参数(如二极管的死区等非线性参数)无关。表头中电流与被测电压Ui的全波整流平均值成正比,若Ui为正弦波,则表头可按有效值来刻度,被测电压的上限频率决定于运算放大器的频带和上升速率。设计中通过调节R1的值来实现相应量程。
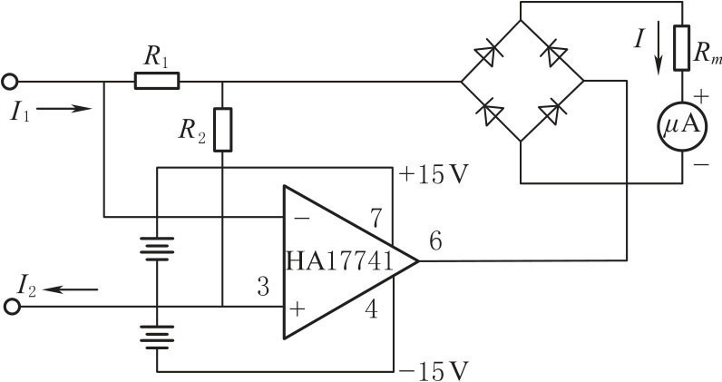
(4)交流电流表。图3-30为浮地交流电流表,表头读数由被测交流电流i 的全波整流平均值I1AV决定,即

如果被测电流i为正弦电流,即

上式可写为

则表头可按有效值来刻度。

图3-30 交流电流表
实际设计时,通过改变R1/R2的值,并结合在表头并联分流电阻来实现要设计的量程。