联合剖面法的装置特点
1.装置特点和工作方法

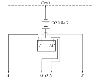
图2-1 联合剖面装置
联合剖面法是由两组三极装置AMN∞和∞MNB联合进行探测的一种电剖面法。所谓三极装置,是将一个供电电极置于“无穷远”的排列,如图2-1所示。把A、M、N、B四个电极放在同一条观测直线上,以M、N之间的中点O为测点,且AO=BO,MO=NO。电极C是两组三极装置共同的“无穷远”极,一般置于测线的中垂线上,与测线的距离不小于五倍的AO(即CO≥5AO)。如果因地形或障碍物无法在中垂线上布极,那么在沿测线方向上布C极时,距测区边缘点的距离应大于十倍的AO。
![]()

![]()
式中:KA、KB分别为AMN∞和∞MNB装置的装置系数。
根据式(1-36)可以推算出
(https://www.daowen.com)
于是在一幅联合剖面法的ρs曲线图上可以绘出
和
两条曲线。
在各种电剖面法中,联合剖面法最适于探测陡倾良导电性地质体或断层破碎带。其优点是灵敏度高、分辨力强、异常幅度大,缺点是装置比较笨重、工作效率低、受地形和地表岩性不均匀的影响大,易使曲线发生畸变而出现虚假异常。
2.电极距的选择

(2)测量电极距(MN)的选择。应在不明显降低异常的前提下,尽量采用较大的电极距MN,同时使MN等于测点距或两倍测点距,而测点距的选择应根据异常范围大小确定。由ρs曲线特征知,在探测目标两侧(交点两边)联合剖面曲线的异常范围大约等于2AO。在详查时,为了能得到完整的曲线,在2AO范围内常要求应有6~10个测点。所以,测点间距一般选为AO的(1/5~1/3),于是MN=(1/5~1/3)AO,甚至MN=1/10AO。
(3)“无穷远”极(C)的距离。为了使C极在M、N极间产生的电位差小于A或B极产生的电位差的5%,以便将其影响忽略不计,必须将C极置于垂直测线的方向上,并使CO≥5AO。
3.联合剖面法的图件
(1)视电阻率剖面图。将每条测线,按测点位置和视电阻率值绘制ρs剖面图。习惯上用实线表示
曲线,用虚线表示
曲线。横坐标用算术坐标表示测点位置;纵坐标表示ρs大小,可以用算术坐标或对数坐标,用对数坐标表示ρs有利于突出低阻异常。
(2)视电阻率剖面平面图。将各测线按一定比例尺绘制在平面图上,选取合适的比例尺,分别绘出每条测线的
和
剖面曲线,标出正交点和反交点,把沿一定走向延伸的各测线低阻正交点位置或低阻带连接成线,就是低阻正交异常轴;把高阻带、高低阻岩性接触界线连接起来,便构成剖面平面图(图2-2)。它能直观地反映某一极距(相当某一勘探深度)ρs曲线在平面上的变化规律。
(3)联合剖面法测网布置图和综合成果图。将测网分布情况绘制在相应比例尺的地形图或地质图上,即得到测网布置图。若将物探的综合解释成果,如异常轴、接触界线、高阻带、低阻带、推测的断层和地质界线、地点地物等内容,绘于平面图上,即成为综合成果图(图2-3)。