二、自然电位测井
利用如图10-22所示原理线路,沿井身移动M极,测量移动电极——M极与设在地面的固定电极——N极之间的电位差,便可得到沿井轴变化的自然电位曲线。根据所测得的沿井轴变化的自然电位曲线,研究井孔地质问题的方法叫自然电位测井。自然电位测井,可以用来划分井孔地质剖面,判断含水层位置,估计地层泥质含量等。
(一)井内自然电位成因
井孔中形成自然电场的成因是相当复杂的。通常在沉积岩地区和金属矿区,形成自然电场的主要成因是:扩散电动势、吸附电动势、氧化还原电动势。这里我们仅讨论与水文地质、工程地质关系密切的扩散作用及吸附作用形成的自然电场。
1.扩散成因

图10-22 自然电位测井原理图
根据物理化学知识我们知道,当两种浓度不同的盐溶液相接触时,浓度大的溶液中的离子要向浓度小的溶液中扩散。在离子扩散时,溶液中的正、负离子的迁移速度是不同的。例如NaCl溶液中的氯离子的迁移速度就大于钠离子的迁移速度。当两种浓度不同的NaCl溶液相接触后,由于正、负离子迁移速度不同,在低浓度的溶液中迁移速度大的Cl-1的数量将多于迁移速度小的Na+的数量。而在高浓度的溶液中迁移速度大的Cl-的数量将少于迁移速度小的Na+的数量。从而使得浓度不同的两种溶液显不同的电性,形成一个电动势。这样形成的电动势又反转来影响正、负离子的迁移速度,使得Cl-向浓度低的溶液中的迁移速度减慢,使Na+向浓度低的溶液中迁移速度加大,直至两种离子迁移速度一致,使溶液中正、负离子数量上的差额达到一定值。这时在两种浓度的溶液间形成一个稳定的扩散电动势。
表10-2给出了25℃时几种常见离子的迁移率。
表10-2 几种常见离子迁移率 单位:104cm2/(v·s)

如图10-23所示,两种不同浓度溶液中间以陶瓷板隔开,两侧溶液为浓度相差10倍的NaCl溶液。在25℃条件下,两溶液间可形成约11.6mV的扩散电位差,且低浓度一侧为低电位。
如将容器中隔开两种不同浓度溶液的陶瓷板换成纯净的砂岩板,同样可测得上述结果[图10-24(a)]。

图10-23 不同浓度溶液接触形成扩散电动势图

图10-24 离子扩散通过不同隔板时形成电动势图
在井孔中,如井液浓度小于纯净砂岩层中水(溶液)的离子浓度,其情况类似于两种不同浓度的溶液被纯砂岩板所隔开,对应于纯净砂岩处则可测得负电位。这时所形成的自然电场即是扩散作用形成的自然电场。
2.吸附成因
将上述试验中隔开两种不同浓度溶液的纯砂岩隔板拿掉,换上一个泥岩隔板,其他条件不变。这时,在两种溶液间可测得一个更大的电位差,且这时低浓度的溶液为高电位,高浓度的溶液为低电位,如图10-24(b)所示,它不同于图10-24(a)。之所以出现这种变化是由于:泥岩颗粒有吸附负离子的作用。当离子由浓度高的溶液向浓度低的溶液中扩散经过泥岩板孔隙时,负离子被泥质颗粒吸附,附着于孔壁上,而正离子通过孔隙进入了浓度低的溶液中。所以低浓度溶液中正离子增多,而高浓度溶液中负离子相对增多。因此在两种溶液间形成了一个与如图10-24(a)所示相反的电位差。这样形成的自然电场为吸附作用自然电场。(https://www.daowen.com)
自然界井孔中井液离子浓度与岩层水离子浓度不同,离子通过岩土孔隙时,会有吸附作用发生,形成吸附作用成因的自然电场。不仅如此,当地下水或井液与地下水之间由于存在压力差而发生流动时,同样也有吸附作用发生,同样也会形成吸附电场,一般称这时形成的电场为过滤电场。自然界中上述几种作用有时会同时发生,形成的自然电场叠加在一起,构成井中总的自然电场。但一般过滤电场较弱,井内测得的自然电场主要是由扩散和吸附成因所形成的自然电场。
(二)自然电位测井曲线
自然电位曲线及其成因如图10-25所示。通常黏土岩具有稳定的自然电位,常以此作为自然电位曲线的基线。在泥、砂岩钻孔中,当地下水与井液的接触面(井壁)上发生扩散过程时,若C2>Cc,则离子扩散方向是由含水砂层指向井液,使井液带负电,在砂岩和井液的接触面上产生扩散电动势Ed。而由砂岩通过黏土岩向井液的扩散过程中,由于泥质颗粒吸附负离子而形成扩散一吸附电动势Edn,使井液带正电,二者恰如两个串联的电池,通过井液、地层构成自然电流闭合回路,总电动势应是Ed和Edn之和。由于扩散-吸附作用的结果,砂岩层的自然电位显示负异常。相反,若C2<Cc,则砂岩层的自然电位为正异常。

图10-25 泥砂岩剖面自然电场及自然电位曲线
C1—泥岩中水矿化度;C2—砂岩中水矿化度;C0—泥浆矿化度;Ed—扩散电动势;Edn—扩散-吸附电动势

图10-26 不同厚度岩层自然电位理论曲线
(曲线上数字为:H/d0)
图10-26给出了对应不同厚度的岩层所计算的自然电位理论曲线。这里假定井孔直径为d0,岩层厚度为H,岩层水平,岩层、围岩、井液均为均匀各向同性介质,且其电阻率相等,井孔垂直穿过地层。岩层厚度H>4d0时,自然电位曲线的半极值点对应于岩层界面处。岩层厚度减小(即H<4d0)时曲线幅度减小,且岩层界面位置靠近自然电位曲线极值处。
在自然界中,不仅岩层厚度变化会影响自然电位侧井曲线,而且岩层、井液电阻率、岩层产状及相邻层的参数等都会影响自然电位。一般岩层及围岩的电阻率大于井液电阻率时,自然电位曲线幅值减小,尤其对于薄的高阻岩层,岩层电阻率对自然电位曲线的影响更为明显。若砂层不是纯砂层,而是其中含有泥质颗粒时,泥质颗粒将影响负离子扩散速度,形成扩散-吸附电动势,从而影响井孔自然电位曲线。当岩层上、下不对称或产状发生变化时,都将使井中自然电位曲线发生变化。

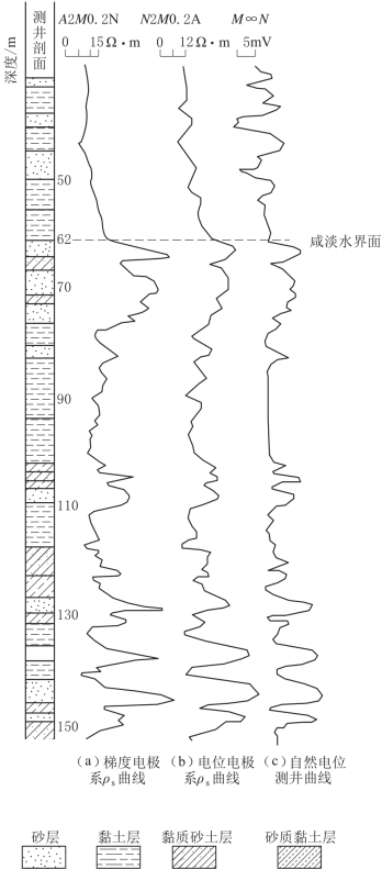
图10-27 利用测井曲线划分咸淡水界面实例
(三)自然电位测井法的应用
在水文、工程地质工作中,自然电位测井主要用来划分钻孔地质剖面,确定咸淡水界面,确定地下水矿化度等。
在砂-泥质岩层井孔中,自然电位大小主要和地下水与井液之间的扩散吸附作用有关,而扩散吸附作用又与岩性密切相关。因此,可以利用自然电位测井曲线变化划分钻孔地质剖面。
通常在自然电位测井曲线解释中,取厚层泥岩(黏土)层处自然电位曲线为基线。在地下水矿化度大于井液矿化度的情况下,渗透性好的岩层(颗粒粗,分选好,含泥少)自然电位显示为较大负异常。而反之,为正异常。因此可利用自然电位测井曲线划分出渗透性好的地层,划分钻孔剖面。在岩层比较厚时,一般可按曲线的半幅值点来确定岩层的界面,见图10-26。
当地下有不同的咸淡水时,还可利用自然电位测井曲线划分咸淡水的分界面。当井孔中咸水层地下水矿化度高于井液矿化度时,自然电位测井曲线为负异常;对应于井孔中淡水层地下水矿化度低于井液矿化度时,则自然电位测井曲线为正异常。
图10-27为利用自然电位测井曲线划分咸、淡水界面的实例。井孔剖面由砂层、黏土层、黏质砂土和矿质黏土层组成。井孔上部地下水矿化度较高,使得含水层电阻率较小。梯度电极系视电阻率测井曲线上对含水层与黏土层的反映相近。电位电极系视电阻率测井曲线对砂层、黏土层两者的反映亦无明显区别。而自然电位测井曲线对含水砂层有负异常,有别于黏土层。在62m以下,砂层水的矿化度比较低,为淡水,对应地段测得自然电位正异常。由此用自然电位测井曲线划分出了砂层位置,并划分了咸淡水界面。