四、应用实例
1.混凝土脱空层探测
图4-13给出了某水电站尾水连接洞顶壁的地质雷达探测成果,由图中可见,自洞顶壁表面至图中黑色虚线的位置是二衬与初支的分界面,厚为10~30cm;受沿测线方向钢筋的影响,垂直测线方向的钢筋在图中的反映不甚明显,仅在15~17m的位置见有下开口抛物线形态的异常反应;需要指出的是,在水平0~16.8m的位置,有较明显的脱空或混凝土不密实现象,这在图中主要表现为波幅的正负交替,这种脱空或混凝土不密实的厚度约为40~60cm。

图4-13 某水电站尾水连接洞顶壁的地质雷达探测成果
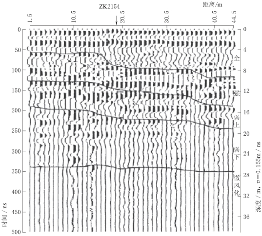
2.划分花岗岩风化带
图4-14为长江三峡宜昌三斗坪坝区用探地雷达划分花岗岩风化带的一条实测剖面。它是雨后用50MHz中心频率脉冲的探测结果。根据波形特点,雷达图可以清晰地分辨出表土以下全风化带、强风化带、弱风化带之间的界面,甚至弱风化带内的子界面以及与微风化带的交界面也可识别,它们的位置与相对厚度均与钻探结果吻合甚好。由于未进行高程校正,图上见到的台阶形界面是山坡或地表台阶陡坎的反映。

图4-14 宜昌三斗坪长江北岸花岗岩风化带探测
3.隧道探测(https://www.daowen.com)

图4-15 广西天生桥隧道内侧壁溶蚀带的探测(下部为观测到的地质剖面示意图)
下面列举广西天生桥水电站引水隧洞内的两例雷达探测来说明其效果。图4-15为某隧洞内侧壁方向纵深灰岩溶蚀情况的探测图。灰岩的溶蚀带因含水,对高频电磁波吸收较强而不同于其他部位。图上左侧(0~10号测点)直至24m纵深仍有很强信号,说明图中10号测点以右的大部分地段出现的弱信号应与溶蚀吸收有关。在这一地段内,强信号的最深部位仅止于14m,显然,整个地段均受溶蚀。以10~16号点这一段溶蚀最甚;30~40号点次之;16~30号点最弱。这一现象大致与所观察到的地质剖面(图4-15下方所附剖面)一致。10~16号点的溶蚀并不完全始于洞壁,2m以内的浅表仍有强信号,内部的溶蚀强于浅表,并有向两侧扩展之势,不像地质观察剖面所描述的那样向壁外收敛。30~40号点,浅表溶蚀更弱且不均匀,其中35号点附近8m纵深仍有强信号,表明该处的溶蚀现象应在更深部。同样,整个这一段的溶蚀也是向深部及两侧扩展的。中部20号点附近虽有较深延的强信号,但与剖面左侧部分显然不同,说明该处应仍属溶蚀带。

图4-16 广西天生桥隧道掌子面的前方探测
图4-16为另一隧洞内直径为10.8m、刚爆破掘进的掌子面上测得的雷达剖面。图上仅仅见到浅表处的强信号,而2m、3m以下纵深几乎没有信号。根据工区灰岩的雷达探测规律,这一现象显然不是介质强吸收的反映,而是前方没有波的反射,浅表强信号实际是爆破造成的不均匀松动带所引起的。由此推知,掘进方向前方无溶洞-裂断等地质隐患存在。这一推断为继续掘进的结果所证实。
4.公路路面厚度检测
公路路面厚度检测是公路无损检测的主要内容之一。一般简易路面厚10~20cm,高等级公路路面厚20~30cm,机场跑道路面厚40cm,这就要求公路路面厚度检测有较高的垂向分辨率。路面厚度检测的误差小于1cm,要求检测方法确定厚度精度高。因此应用于公路路面厚度检测的探地雷达必须具有高分辨率与高计厚精度。
为了检验探地雷达对公路路面厚度的探测能力,中国地质大学应用美国SIR探地雷达系统在河北廊坊南门外公路三个已知水泥路面厚度(21.3~24.7cm)地段(农机公司、富友商店、福友粮油站)与中国地质大学图书馆前简易路面(厚8cm)上进行了试测。为了能分辨这种路面厚度,选用500MHz天线与900MHz天线。用10~15ns时窗,每次扫描采样点数为512个,采样率Δt=0.0196~0.0292ns,满足路面厚度分辨精度1cm对采样率的要求。由于使用单天线测量,为获得水泥的电磁波速度,须采用统计方法。由v=2D/t,统计得900MHz下水泥路面的速度v=0.120m/ns(相关系数0.996),500MHz水泥路面的速度v=0.126m/ns(相关系数0.889)。由上述速度分别计算各对照点的测量厚度与实际厚度相当。