3.4.3  直角坐标系的相对尺寸编程(G91,IC)

3.4.3 直角坐标系的相对尺寸编程(G91,IC)

(1)指令功能 调用增量值坐标尺寸编程是指编程的尺寸总是参照上一个运行到的点(前一点)的坐标值。即增量尺寸编程用于说明刀具运行了多少距离。

(2)指令格式与参数说明

978-7-111-43457-3-Chapter03-22.jpg

相对尺寸的编程格式分为两种:

1)模态有效的增量尺寸。模态有效的增量尺寸可以使用指令G91进行激活。它针对后续NC程序中写入的所有轴生效。

2)逐段有效(非模态)的增量尺寸。在G90方式下,可以借助指令IC为单个轴设置逐段有效的增量尺寸。即在绝对编程过程中可直接利用该功能进行某一尺寸、坐标以增量形式编程,无须进行增量坐标的转换。逐段有效的增量尺寸(IC)也可以用于主轴定位(SPOS,SPOSA)和插补参数(I,J,K)。

(3)G91指令扩展 在一些特定的应用(比如对刀)中,要求使用增量尺寸运行所编程的行程,可以通过下列设定数据分别为有效的零点偏移和刀具长度补偿设置其特性:

SD42440 $SC_FRAME_OFFSET_INCR_PROG (框架中的零点偏移)

SD42442 $SC_TOOL_OFFSET_INCR_PROG (刀具长度补偿)

数据值 参数说明

0 在轴的增量尺寸编程中,有效的零点偏移或刀具长度补偿不会运行。

1 在轴的增量尺寸编程中,有效的零点偏移或刀具长度补偿会运行。

(4)编程示例

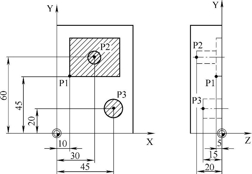
例1 分别使用模态和非模态指令编写如图3-12所示的图形中位置点坐标。

978-7-111-43457-3-Chapter03-23.jpg

图3-12 位置点坐标尺寸

绝对指令和增量指令编程方式如下:

978-7-111-43457-3-Chapter03-24.jpg

混合指令编程方式如下:

978-7-111-43457-3-Chapter03-25.jpg

在图样尺寸位置数据既存在绝对坐标尺寸,又存在增量坐标尺寸时,可以在编程过程中通过AC()/IC()指令对坐标进行绝对尺寸和增量尺寸方式的设定。也就是说可以在一个程序段中进行绝对坐标尺寸和相对坐标尺寸的混合编程。

例2 没有执行有效零点偏移的增量尺寸说明。

设置:1)G54包含一个零点偏移,在X方向移动25mm

2)SD42440 $SC_FRAME_OFFSET_INCR_PROG=0

程序代码 注释

N10 G90 G0 G54 X100 ;

N20 G1 G91 X10 ;增量尺寸被激活,X方向运行10mm(零点偏移未运行)

N30 G90 X50 ;绝对尺寸被激活,运行到位置X75(零点偏移未运行)