7.2.2  创建毛坯类型:六面体(BOX)

7.2.2 创建毛坯类型:六面体(BOX)

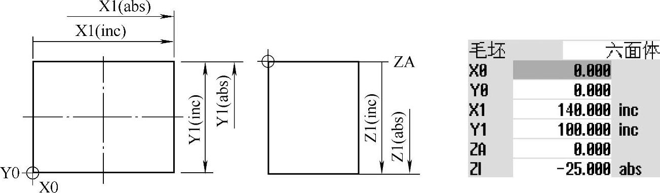
(1)创建毛坯外形 六面体毛坯是方形或长方形毛坯的一般形式。这种形式的毛坯外形尺寸采用“两点法”表达。屏幕上显示的X0和Y0位置是毛坯上表面的第一角点(左下),也是毛坯平面尺寸的基准;而X1和Y1位置(对角线方向)则是毛坯上表面的第2角点(右上),可以使用绝对尺寸(abs)也可以使用相对尺寸(inc)确定毛坯的上表面外形尺寸。高度尺寸(Z1)既可以使用绝对尺寸(abs)也可以使用相对尺寸(inc)方式确定,如图7-3所示。

(2)设定的编程原点 编程原点(X0,Y0)可以根据需要设定在毛坯的某一位置处,既可以设定在毛坯上表面左下的第一角点处,也可以设定在其他角点处或位置处;初始尺寸(ZA:Z向原点)将依输入数据确定,一般设定在毛坯的上表面。

(3)编辑完成的程序格式示例 毛坯外形尺寸:角点1 X0=0,角点2 Y0=0,角点2 X1=140(分别为abs或inc:以X0为基准),Y1=100(分别为abs或inc:以Y0为基准),最终尺寸Z1=-25(abs)或Z1=25(inc:以ZA为基准),编程原点设定在(X0,Y0)处。

生成的程序指令为:

程序代码 注释

WORKPIECE(,,,"BOX",112,0,-25,-80,0,0,140,100) ;全部abs方式

WORKPIECE(,,,"BOX",0,0,-25,-80,0,0,140,100) ;全部inc方式

WORKPIECE(,,,"BOX",96,0,-25,-80,0,0,140,100) ;X2(inc),Y2(abs),Z1(abs)

WORKPIECE(,,,"BOX",80,0,-25,-80,0,0,140,100) ;X2(abs),Y2(inc),Z1(abs)

WORKPIECE(,,,"BOX",64,0,-25,-80,0,0,140,100) ;X2(inc),Y2(inc),Z1(abs)

WORKPIECE(,,,"BOX",48,0,-25,-80,0,0,140,100) ;X2(abs),Y2(abs),Z1(inc)

WORKPIECE(,,,"BOX",32,0,-25,-80,0,0,140,100) ;X2(inc),Y2(abs),Z1(inc)

WORKPIECE(,,,"BOX",16,0,-25,-80,0,0,140,100) ;X2(abs),Y2(inc),Z1(inc)

若编程原点确定在(X0=20,Y0=10)位置处时,输入数据全部为inc方式,则生成的程序指令为:WORKPIECE(,,,"BOX",0,0,-25,-80,20,10,140,100)

978-7-111-43457-3-Chapter07-3.jpg

图7-3 创建“六面体”毛坯的尺寸标注及对话框参数