3.5.4  直线插补(G1,F)

3.5.4 直线插补(G1,F)

(1)指令功能 使用G1可以让刀具在与轴平行、倾斜的或者在空间里任意摆放的直线方向上运动。可以用线性插补功能加工3D平面、槽等。

(2)编程格式

G1 X... Y... Z... F...

G1 AP=... RP=... F...

(3)指令参数说明

G1:线性插补(带进给率的线性插补),模态有效。

X... Y... Z...:以直角坐标给定的终点。

AP=...:以极坐标给定的终点,这里指极角。

RP=...:以极坐标给定的终点,这里指极半径。

F...:进给率,单位为(mm/min)。刀具以进给率F从当前位置点向编程的目标点直线运行。可以在直角坐标或者极坐标中给出目标点。工件在这个轨迹上进行加工。

G1在加工时必须给出进给速度、主轴转速S和主轴旋转方向M3/M4。

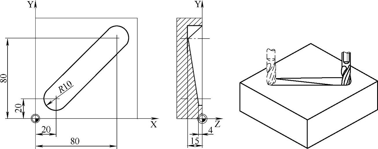
(4)编程示例 按图3-16所示尺寸加工一个斜槽。立铣刀沿X/Y方向从起点向终点运行,同时在Z方向进刀。

978-7-111-43457-3-Chapter03-29.jpg

图3-16 铣削加工斜槽编程尺寸

程序代码 注释

N10 G17 S400 M3 ;选择工作平面,主轴顺时针旋转

N20 G0 X20 Y20 Z2 ;运行至起始位置

N30 G1 Z-4 F200 ;进刀

N40 X80 Y80 Z-15 F400 ;沿一条倾斜方向的直线运行

N50 G0 Z100 ;空运行,抬刀