4.4.4  曲线轨迹部分的进给率优化(CFTCP,CFC,CFIN)

4.4.4 曲线轨迹部分的进给率优化(CFTCP,CFC,CFIN)

(1)指令功能 在加工过程中调用刀具补偿功能(G41、G42被激活时)进行直线轮廓加工时,编程中的进给速度(F)为刀具中心处的进给速度,与实际加工中轮廓处的进给速度是一致的。如果进行圆弧插补加工(同样适用于多项式插补和样条插补),编程中的进给速度(F)是指刀具中心处的进给速度,而实际加工中轮廓处的进给速度是不同的,有时两者数值相差很大,从而影响加工结果。为避免这些影响,应当相应地调节曲线轮廓的进给率。因此在轮廓上会使用较小的进给率加工。

(2)进给率修调计算公式 圆弧进给率修调计算如图4-9所示。

内部(凹)圆弧进给率修调计算公式

F修调=F编程R-R)/R

外部(凸)圆弧进给率修调计算公式

F修调=F编程R+R)/R

式中 R——凹圆弧轮廓半径(mm);

R——凸圆弧轮廓半径(mm);

R——刀具半径(mm)。

978-7-111-43457-3-Chapter04-12.jpg

图4-9 圆弧进给率修调计算

(3)编程格式与参数说明

CFTCP ;在铣刀中心轨迹上保持恒定进给率,模态指令。

CFC ;轮廓(刀沿)上保持恒定进给率,模态指令(开机默认状态)。

CFIN ;仅凹形轮廓上的刀沿保持恒定进给率,否则在铣刀中心轨迹上保持恒定进给率。进给速度在内半径上会降低。

若使编程的进给速度(F)在圆弧轮廓处生效,就必须对刀具中心点处的进给率进行修调。使用方法是在程序中编入CFC指令,使圆弧进给率修调功能生效,系统会自动判断圆弧的内、外轮廓加工,以当前的刀具半径值,按照编程中的进给速度值自动计算出此时轮廓处的进给速度,刀具将按此进给速度切削。如果要求所设定的进给率在刀具中心有效,则在程序中编入CFTCP(即刀具中心恒进给率)指令,关闭进给率修调功能。

按照上述计算公式可以看出,刀具中心轨迹的进给速度在凹圆弧处会降低,而在凸圆弧处,刀具外侧走过的距离远远大于沿轮廓走过的距离。若使用较大的刀具铣削轮廓圆弧半径较小的外凸形半径时,即使在CFC的方式下,F修调的数值也很大,无法保证铣削加工质量,这时则要使用CFTCP指令关闭CFC功能。为避免出现上述问题,可以设定在加工不同轮廓段时选择不同的进给速度的设定形式。

而使用CFIN指令编写进给率,则可以在铣削凹圆弧时降低进给率,而在铣削外凸圆弧时的进给率同铣刀中心进给率(即刀具中心恒进给率),且不需要使用CFTCP指令,因此比使用CFC指令更好、更方便。

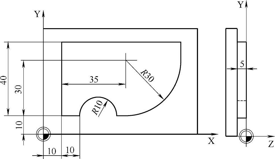
(4)编程示例 如图4-10所示零件,由于所设定的加工进给率是以刀具中心来确定的,所以在加工圆弧轮廓时的实际进给速度比在加工直线轮廓部分的进给速度快,造成加工精度不一致。加工凹圆弧处使用CFIN内凹圆弧进给率修正,而在加工凸圆弧处同在直线处一样使用刀具中心进给速度,就可以避免毛坯的圆弧半径部分出现过高的进给速度。

978-7-111-43457-3-Chapter04-13.jpg

图4-10 内、外圆弧铣削进给率优化

程序代码 注释

N10 T=“1” M6 ;调用刀具

N20 G17 G64 G0 G54 X-10 Y0 ;定义工艺参数

N30 D1 Z80 S2000 M3 ;刀具长度补偿至初始高度

N40 Z3 ;快速进刀至安全高度

N50 G1 Z-5 F300 ;进刀至第一吃刀量

N60 G41 X10 CFIN F500 ;建立刀具半径补偿,激活进给速度优化

N70 KONTUR1 ;调用轮廓子程序

N80 G40 G0 X-10 ;取消刀具半径补偿

N90 Z80 ;快速抬刀至初始高度

N100 M30 ;程序结束

KONTUR1 ;轮廓子程序

G1 Y50 F350

X75

Y40

G2 X45 Y10 CR=30

G1 X40

G3 X20 Y10 CR=10

G1 X10

M17