7.5.8  圆弧槽铣削循环(SLOT2)

7.5.8 圆弧槽铣削循环(SLOT2)

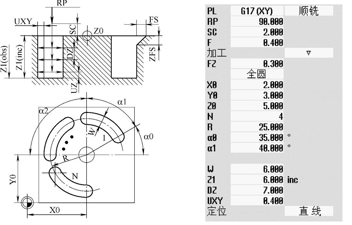
(1)指令功能 使用圆弧槽铣削循环指令(SLOT2)可以在整圆或节圆上对一个或多个同样大小的圆弧槽进行粗加工、精加工、侧壁精加工和倒角加工,还可以加工出一个环形槽。按照工件图样的标注尺寸,可以为圆弧槽确定一个相应的参考点。可以选择顺铣,也可以选择逆铣。

加工圆弧槽时应注意刀具直径的限制:

1)粗加工:1/2槽宽(W)-精加工余量(UXY)≤铣刀直径(ϕ)。

2)精加工:1/2槽宽(W)≤铣刀直径(ϕ)。

3)边沿精加工:精加工余量(UXY)≤铣刀直径(ϕ)。

加工环形槽,则必须为参数槽的数量(N)和槽的张角(α1)输入下面的数值:

N=1

α1=360°

(2)编译后的程序格式参数列表 SLOT2(REAL RTP,REAL RFP,REAL SDIS,REAL_DP,REAL_DPR,INT NUM,REAL AFSL,REAL WID,REAL_CPA,REAL_CPO,REAL RAD,REAL STA1,REAL INDA,REAL FFD,REAL FFP1,REAL_MID,INT CDIR,REAL_FAL,INT_VARI,REAL_MIDF,REAL FFP2,REAL SSF,REAL_FFCP,INT_UMODE,REAL_FS,REAL_ZFS,INT_GMODE,INT_DMODE,INT_AMODE)。

(3)编程操作界面 圆弧槽铣削循环尺寸标注图样及参数对话框如图7-36所示,编程操作界面说明见表7-22。

7-22 圆弧槽铣削循环编程操作界面说明

978-7-111-43457-3-Chapter07-70.jpg

(续)

978-7-111-43457-3-Chapter07-71.jpg

978-7-111-43457-3-Chapter07-72.jpg

图7-36 圆弧槽铣削循环尺寸标注图样及参数对话框