7.5.5  圆形凸台铣削循环(CYCLE77)

7.5.5 圆形凸台铣削循环(CYCLE77)

(1)指令功能 使用圆形凸台铣削循环指令可以对不同直径的圆形凸台进行粗加工、精加工和倒角加工。按照工件图样标注的尺寸,矩形凸台需要确定一个相应的参考点,同时还必须定义一个毛坯凸台。该毛坯凸台外部需要有敞开的区域,以便快速移动刀具时不会发生刀具碰撞、干涉等情况。

一般圆形凸台只需一次进刀便可完成铣削加工。如果想多次进刀铣削,则必须采用不断变小的精加工余量方式多次编写该循环指令。

(2)编译后的程序格式参数列表 CYCLE77(REAL_RTP,REAL_RFP,REAL_SDIS,REAL_DP,REAL_DPR,REAL_CDIAM,REAL_PA,REAL_PO,REAL_MID,REAL_FAL,REAL_FALD,REAL_FFP1,REAL_FFD,INT_CDIR,INT_VARI,REAL_AP1,REAL_FS,REAL_ZFS,INT_GMODE,INT_DMODE,INT_AMODE)。

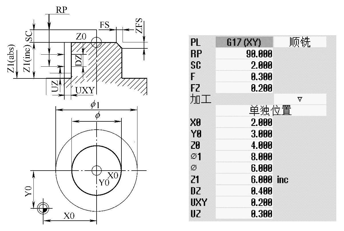
(3)编程操作界面 矩形凸台铣削循环尺寸标注图样及参数对话框如图7-32所示,编程操作界面说明见表7-19。

7-19 铣削圆形凸台循环编程操作界面说明

978-7-111-43457-3-Chapter07-61.jpg

978-7-111-43457-3-Chapter07-62.jpg

图7-32 圆形凸台铣削循环尺寸标注图样及参数对话框