3.6.2  给出圆弧中心点和终点的圆弧插补(G2,G3,X...Y...Z...,I...J......

3.6.2 给出圆弧中心点和终点的圆弧插补(G2,G3,X...Y...Z...,I...J...K...)

(1)指令功能 圆弧插补允许对整圆或圆弧进行加工。圆弧插补运动通过以下几点来描述:

1)以直角坐标X,Y,Z给定的终点。

2)地址I,J,K上的圆心。

如果圆弧以圆心编程,尽管没有终点,仍产生一个整圆。

(2)编程格式

G2/G3 X...Y...Z...I...J...K...

G2/G3 X...Y...Z...I=AC(...)J=AC(...)K=(AC...)

(3)指令参数说明

G2:顺时针圆弧插补。

G3:逆时针圆弧插补。

X...Y...Z...:以直角坐标给定的终点。

I:圆弧起点在X方向上相对于圆心的投影矢量坐标。

J:圆弧起点在Y方向上相对于圆心的投影矢量坐标。

K:圆弧起点在Z方向上相对于圆心的投影矢量坐标。

=AC(...):圆弧圆心的绝对尺寸(程序段有效)。

G2和G3模态有效。预设的G90或G91只对圆弧终点有效。

圆心坐标I,J,K通常为增量尺寸并以圆弧起点为基准。如果一个插补参数I,J,K的值是0,则可以省略该参数,但是在这种情况下必须指定第二个相关参数。

可以参考工件零点用以下程序设定绝对圆心:I=AC(...),J=AC(...),K=AC(...)。

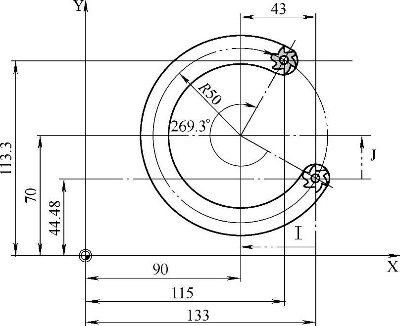
(4)编程示例 按照图3-24所示尺寸,参考工件零点,分别用增量尺寸圆心方式和绝对尺寸圆心:I=AC(...),J=AC(...),K=AC(...)的方式编程圆弧槽插补。

978-7-111-43457-3-Chapter03-41.jpg

图3-24 铣削加工圆弧槽尺寸

978-7-111-43457-3-Chapter03-42.jpg