7.4.5 镗孔循环(CYCLE86)
(1)指令功能
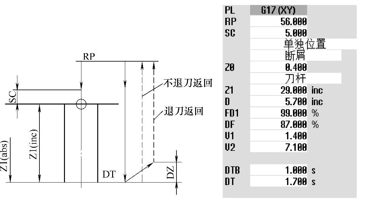
1)在考虑退回平面和安全距离的情况下,将刀具快速移动到编程位置。然后以编程进给率(F)镗削至编程深度(Z1)。
2)通过SPOS指令进行定向的主轴停止。
3)在到达镗削深度处停留的时间后,刀具返回可带退刀或不带退刀。
4)退刀时,既可以通过机床参数,也可以在屏幕的参数对话栏中确定退刀量D。
(2)编译后的程序格式参数列表 CYCLE86(REAL RTP,REAL RFP,REAL SDIS,REAL DP,REAL DPR,REAL DTB,INT SDIR,REAL RPA,REAL RPO,REAL RPAP,REAL POSS,INT_GMODE,INT_DMODE,INT_AMODE)。
(3)编程操作界面 镗孔循环尺寸标注图样及参数对话框如图7-12所示,编程操作界面说明见表7-7。

图7-12 镗孔尺寸标注图样及参数对话框
表7-7 镗孔循环编程操作界面说明
