7.5.11  螺纹铣削循环(CYCLE70)

7.5.11 螺纹铣削循环(CYCLE70)

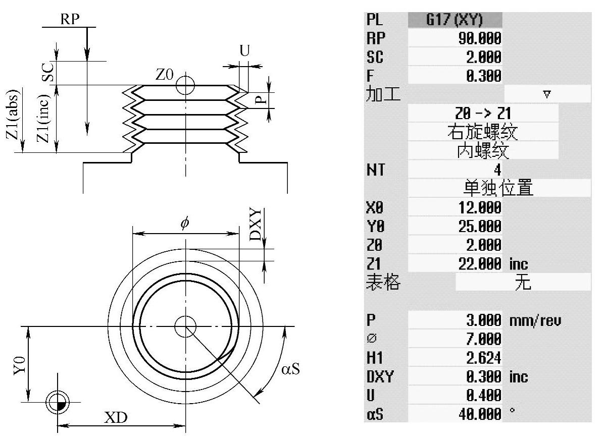
(1)指令功能 使用螺纹铣刀可以加工相同螺距的内螺纹和外螺纹。螺纹可以被加工为右旋螺纹或左旋螺纹,可以从上往下或者从下往上加工。当加工米制螺纹(螺距P的单位为mm/r)时,循环使用由螺距所计算出的值对参数螺纹深度(H1)进行预设置,可以修改该值。

铣削内螺纹时,铣刀直径小于额定直径-2×螺纹深度H1。

(2)编译后的程序格式参数列表 CYCLE70(REAL_RTP,REAL_RFP,REAL_SDIS,REAL_DP,REAL_DIATH,REAL_H1,REAL_FAL,REAL_PIT,INT_NT,REAL_MID,REAL_FFR,,INT_TYPTH,REAL_PA,REAL_PO,REAL_NSP,INT_VARI,INT_PITA,STRING[15]_PITM,STRING[20]_PTAB,STRING[20]_PTABA,INT_GMODE,INT_DMODE,INT_AMODE)。

(3)编程操作界面 螺纹铣削循环尺寸标注图样及参数对话框如图7-39所示,编程操作界面说明见表7-25。

7-25 螺纹铣削循环编程操作界面说明

978-7-111-43457-3-Chapter07-79.jpg

(续)

978-7-111-43457-3-Chapter07-80.jpg

978-7-111-43457-3-Chapter07-81.jpg

图7-39 螺纹铣削循环尺寸标注图样及参数对话框