7.4.8 任意位置孔循环(CYCLE802)
(1)指令功能 使用“任意位置孔”循环可以在直角坐标系或极坐标的不同位置上(任意)进行孔的加工。
(2)编译后的程序格式参数列表 CYCLE802(INT_XA,INT_YA,REAL_X0,REAL_Y0,REAL_X1,REAL_Y1,REAL_X2,REAL_Y2,REAL_X3,REAL_Y3,REAL_X4,REAL_Y4,REAL_X5,REAL_Y5,REAL_X6,REAL_Y6,REAL_X7,REAL_Y7,REAL_X8,REAL_Y8,INT_VARI,INT_UMODE,INT_DMODE)。
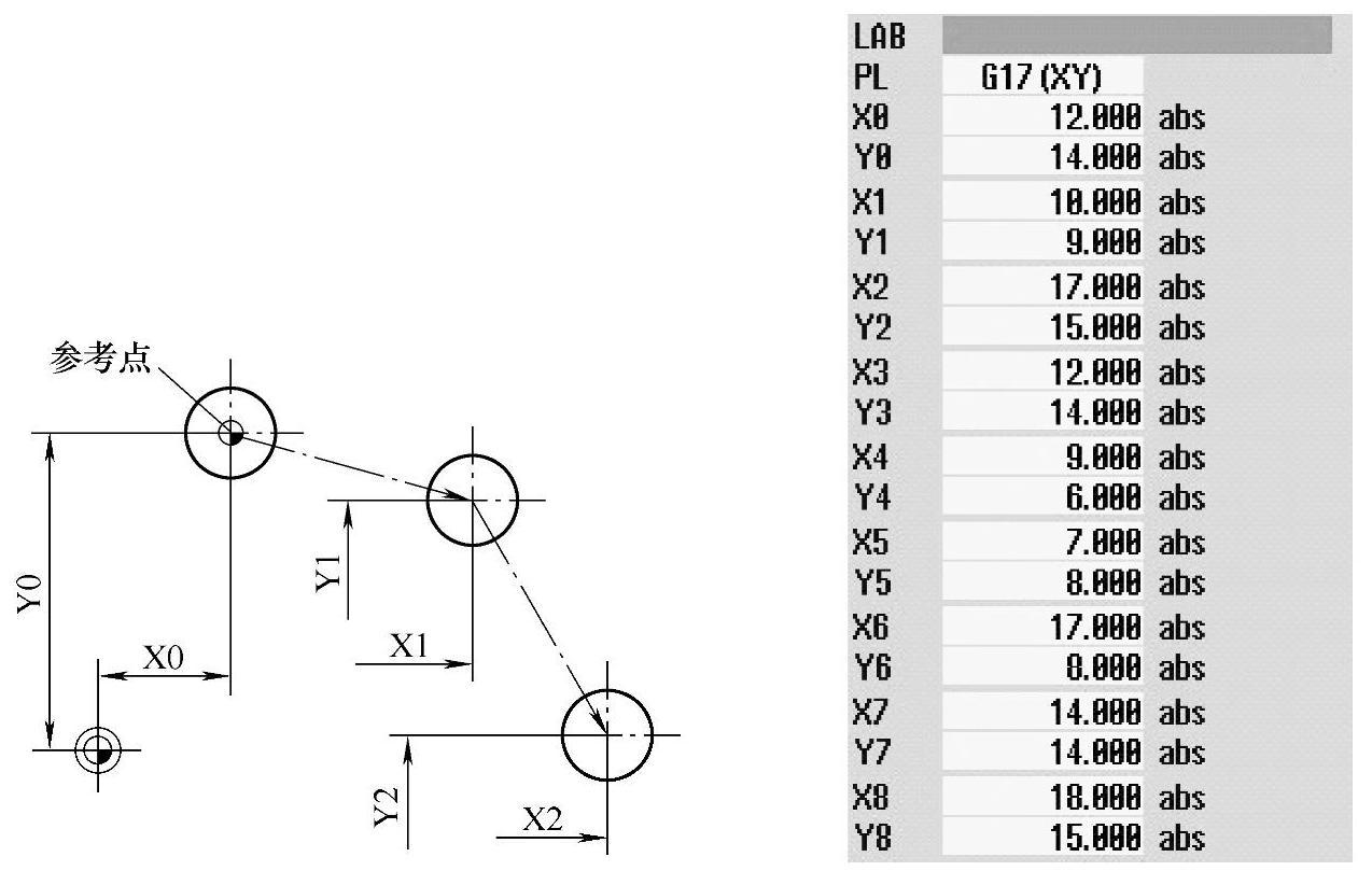
(3)编程操作界面 任意位置孔循环尺寸标注图样及参数对话框如图7-17所示,编程操作界面说明见表7-10。
表7-10 任意位置孔循环编程操作界面说明

(续)

说明:可以忽略多余的X1/Y1到X8/Y8。但一定要完整地输入备选位置“_XA”和“_YA”,它们适用于所有的9个孔的位置。

图7-17 任意位置孔循环尺寸标注图样及参数对话框