7.5.6  多边形凸台铣削循环(CYCLE79)

7.5.6 多边形凸台铣削循环(CYCLE79)

(1)指令功能 使用多边形凸台铣削循环指令可以出对如图7-33所示的任意边沿数目的多边形(或带有圆角变形)凸台进行粗加工、精加工和倒角加工。按照工件图样标注的尺寸,矩形凸台需要确定一个相应的参考点,同时还必须定义一个圆柱毛坯凸台。该圆柱毛坯凸台外部需要有敞开的区域,以便快速移动刀具时不会发生刀具碰撞、干涉等情况。

978-7-111-43457-3-Chapter07-63.jpg

图7-33 多边形凸台(投影)外形

(2)编译后的程序格式参数列表 CYCLE79(REAL_RTP,REAL_RFP,REAL_SDIS,REAL_DP,INT_NUM,REAL_SWL,REAL_PA,REAL_PO,REAL_STA,REAL_RC,RE- AL_AP1,REAL_MIDA,REAL_MID,REAL_FAL,REAL_FALD,REAL_FFP1,INT_CDIR,INT_VARI,REAL_FS,REAL_ZFS,INT_GMODE,INT_DMODE,INT_AMODE)。

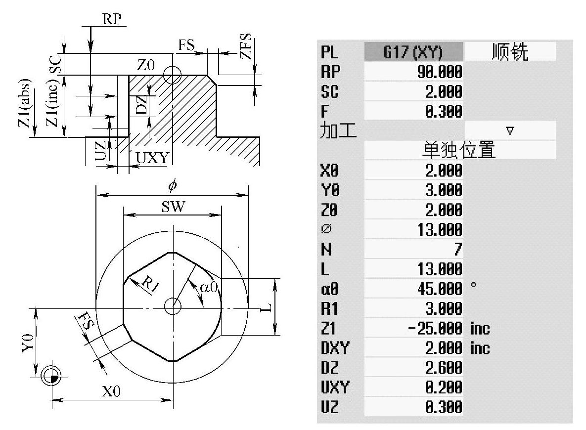
(3)编程操作界面 多边形凸台铣削循环尺寸标注图样及参数对话框如图7-34所示,编程操作界面说明见表7-20。

7-20 多边形凸台铣削循环编程操作界面说明

978-7-111-43457-3-Chapter07-64.jpg

(续)

978-7-111-43457-3-Chapter07-65.jpg

978-7-111-43457-3-Chapter07-66.jpg

图7-34 多边形凸台铣削循环尺寸标注图样及参数对话框