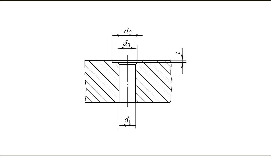
1.2.8  六角头螺栓和六角螺母用沉孔

1.2.8 六角头螺栓和六角螺母用沉孔

(见表1.2-21)

表1.2-21 六角头螺栓和六角螺母用的沉孔尺寸(摘自GB/T 152.4—1988) (单位:mm)

978-7-111-34285-4-Chapter01-44.jpg

(续)

978-7-111-34285-4-Chapter01-45.jpg

注:1.对尺寸t,只要能制出与通孔轴线垂直的圆平面即可。

2.尺寸d1的公差带为H13,尺寸d2的公差带为H15。