内六角平圆头螺钉

9.内六角平圆头螺钉

(见表2.4-11)

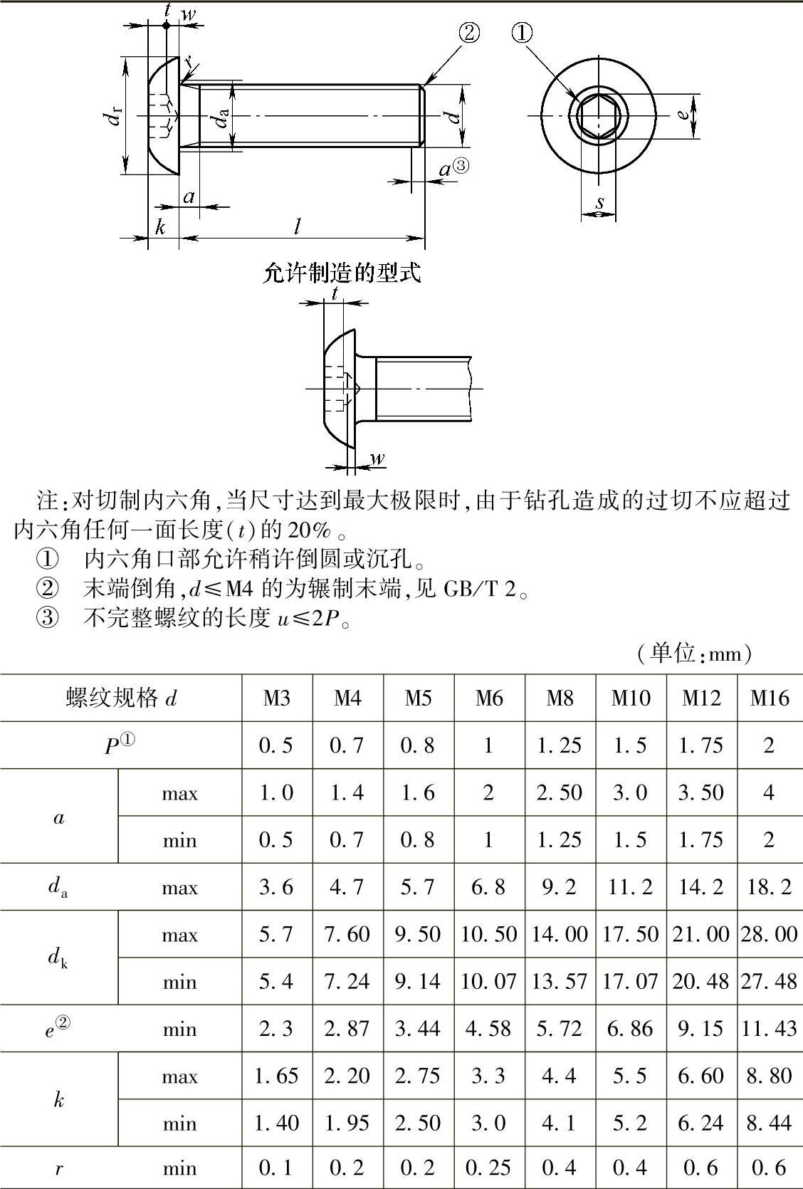
表2.4-11 内六角平圆头螺钉(GB/T 70.2—2000)

978-7-111-34285-4-Chapter02-604.jpg

(续)

978-7-111-34285-4-Chapter02-605.jpg

P—螺距。

emin=1.14smin

s应用综合测量方法进行检验。

④ 用于12.9级。

⑤ 用于其他性能等级。

⑥ 公称长度在下阶梯实线以下的螺钉,其螺纹长度:最小为2d+12mm;最大为距螺钉头部2P以内,由制造者确定。阶梯粗实线间的公称长度按GB/T 3106选定。