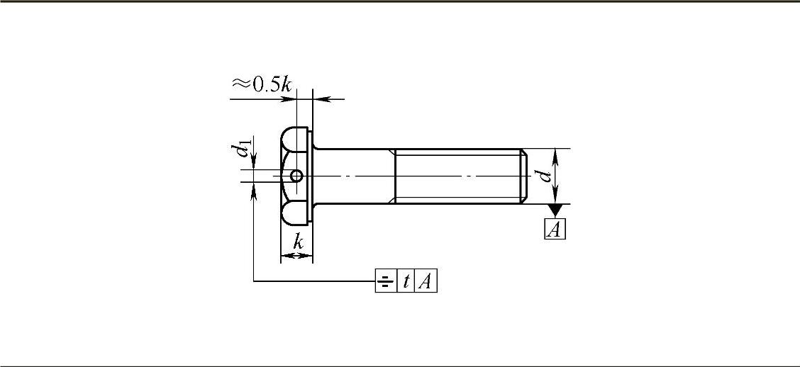
1.2.11  头部带孔螺栓的金属丝孔

1.2.11 头部带孔螺栓的金属丝孔

(见表1.2-25)

表1.2-25 头部带孔螺栓的金属丝孔(GB/T 5278—1985)

978-7-111-34285-4-Chapter01-52.jpg

(续)

978-7-111-34285-4-Chapter01-53.jpg