扩口式管接头用A型螺母

35.扩口式管接头用A型螺母

(GB/T 5647—2008)

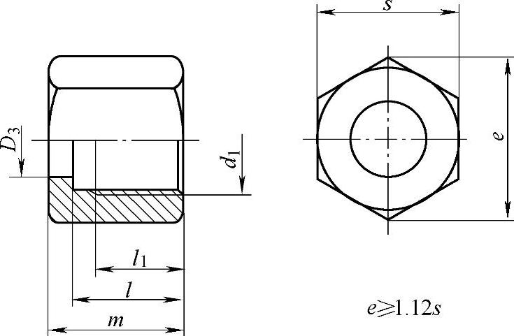
扩口式管接头用A型螺母如图2.3-86所示,尺寸见表2.3-161。

标记示例:

管子外径为10mm,表面镀锌处理的钢制扩口式管接头用A型螺母标记为:螺母GB/T 5647 A10。

978-7-111-34285-4-Chapter02-549.jpg

图2.3-86 扩口式管接头用A型螺母

表2.3-161 尺寸 (单位:mm)

978-7-111-34285-4-Chapter02-550.jpg

(续)

978-7-111-34285-4-Chapter02-551.jpg