粗短柄机用和手用丝锥

1.粗短柄机用和手用丝锥

(GB/T 3464.3—2007)

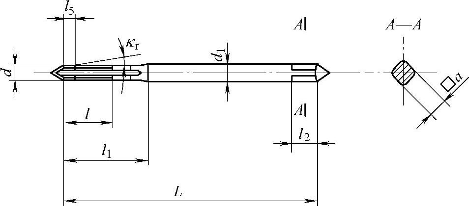
粗短柄机用和手用丝锥如图6.1-1所示,尺寸见表6.1-1和表6.1-2。

978-7-111-34285-4-Chapter06-1.jpg

图6.1-1 粗短柄机用和手用丝锥

表6.1-1 粗牙普通螺纹丝锥尺寸 (单位:mm)

978-7-111-34285-4-Chapter06-2.jpg

表6.1-2 细牙普通螺纹丝锥尺寸 (单位:mm)

978-7-111-34285-4-Chapter06-3.jpg

(续)

978-7-111-34285-4-Chapter06-4.jpg