游动自锁螺母

15.游动自锁螺母

(GB 938—1988)

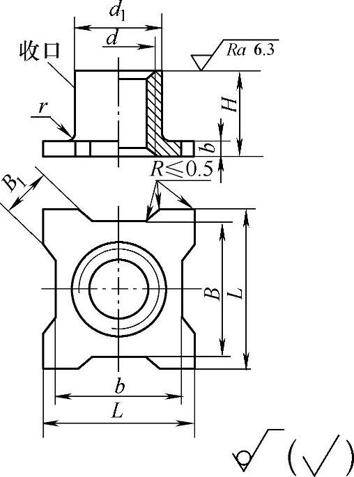
游动自锁螺母如图2.3-38所示,尺寸见表2.3-78。

978-7-111-34285-4-Chapter02-378.jpg

图2.3-38 游动自锁螺母

标记示例:

螺纹规格d=M6游动自锁螺母的标记:螺母GB 938 M6。

表2.3-78 尺寸 (单位:mm)

978-7-111-34285-4-Chapter02-379.jpg