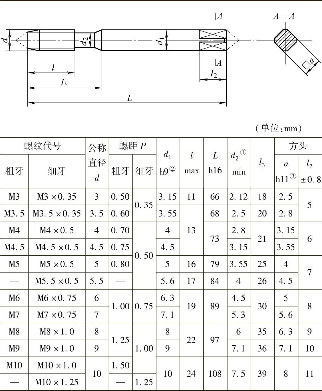
粗长柄机用丝锥

3.粗长柄机用丝锥

(见表6.1-10)

表6.1-10 粗长柄机用丝锥(GB/T 20326—2006)

978-7-111-34285-4-Chapter06-21.jpg

① 颈部由制造商任意选择,如不设颈部,那么螺纹长度等于l+[(l3-l/2]。

② 根据ISO 237的规定:公差h9应用于精密柄,非精密柄的公差为h11。

③ 根据ISO 237的规定:当方头的形状误差和相对于柄部的位置误差考虑在内时,为h12。