1.1型六角开槽螺母—A和B级

1.1型六角开槽螺母—A和B级

(GB/T 6178—1986)

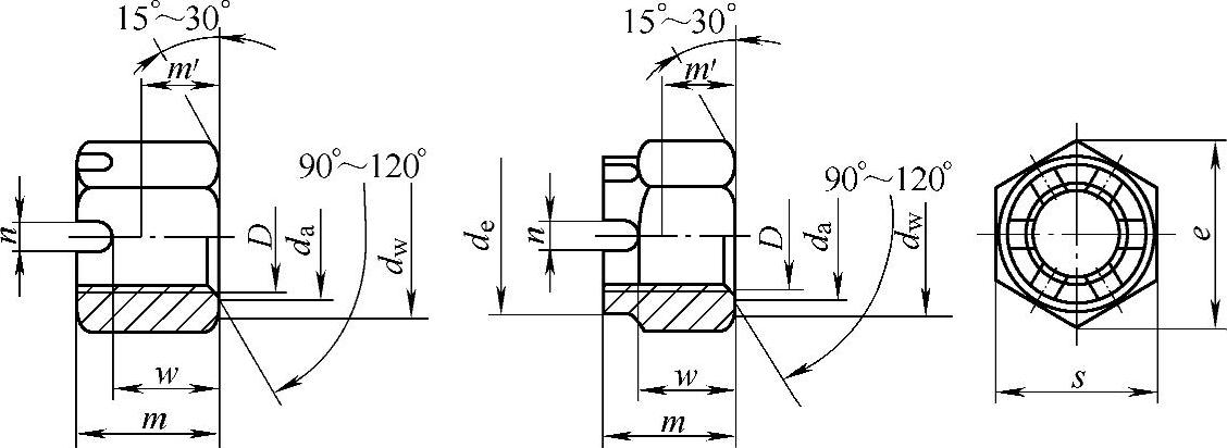
A和B级1型六角开槽螺母如图2.3-17所示,尺寸见表2.3-35,技术和引用标准见表2.3-36。

978-7-111-34285-4-Chapter02-301.jpg

图2.3-17 A和B级1型六角开槽螺母

标记示例:

螺纹规格D=M5、性能等级为8级、不经表面处理、A级的1型六角开槽螺母的螺母标记:GB/T 6178—1986—M5。

表2.3-35 尺寸 (单位:mm)

978-7-111-34285-4-Chapter02-302.jpg

注:尽可能不采用括号内的规格。

表2.3-36 技术条件和引用标准

978-7-111-34285-4-Chapter02-303.jpg

(续)

978-7-111-34285-4-Chapter02-304.jpg