17.滚花薄螺母

17.滚花薄螺母

(GB/T 807—1988)

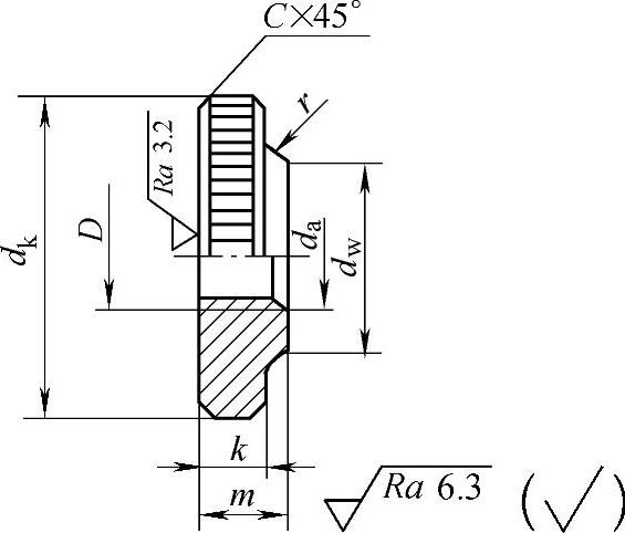
滚花薄螺母如图2.3-68所示,尺寸见表2.3-128,技术条件和引用标准见表2.3-129。

标记示例:

螺纹规格D=M5、性能等级为5级、不经表面处理的滚花薄螺母的标记:螺母GB/T 807 M5。

978-7-111-34285-4-Chapter02-486.jpg

图2.3-68 滚花薄螺母

表2.3-128 尺寸 (单位:mm)

978-7-111-34285-4-Chapter02-487.jpg

表2.3-129 技术条件和引用标准

978-7-111-34285-4-Chapter02-488.jpg