1.六角自锁螺母

1.六角自锁螺母

(GB/T 1337—1988)

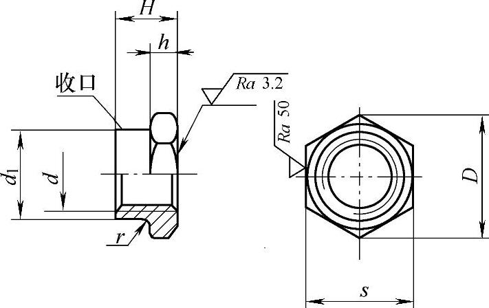
六角自锁螺母如图2.3-24所示,尺寸见表2.3-49。

978-7-111-34285-4-Chapter02-327.jpg

图2.3-24 六角自锁螺母

标记示例:

螺纹规格d=M10的六角自锁螺母的标记:螺母GB/T 1337 M10。

表2.3-49 尺寸 (单位:mm)

978-7-111-34285-4-Chapter02-328.jpg

(续)

978-7-111-34285-4-Chapter02-329.jpg

注:括号内的尺寸,尽可能不采用。

材料:30CrMnSiA。

技术条件按GB/T 943—1988。