26.焊接六角螺母
(GB/T 13681—1992)
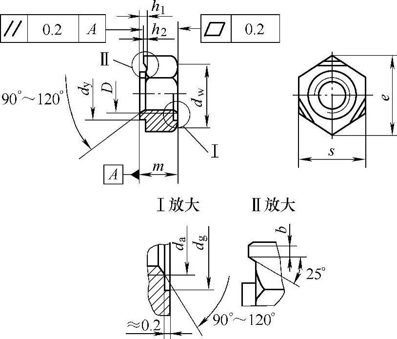
焊接六角螺母如图2.3-77所示,尺寸见表2.3-138,螺母螺纹保证载荷见表2.3-139,技术条件和引用标准见表2.3-140。
标记示例:
螺纹规格D=M10、材料为含碳量不大于0.25%的钢、不经表面处理的焊接六角螺母的标记示例:螺母GB/T 13681—1992 M10。

图2.3-77 焊接六角螺母
表2.3-138 尺寸 (单位:mm)

(续)

注:尽可能不采用括号内的规格。
表2.3-139 焊接六角螺母螺纹保证载荷

表2.3-140 技术条件和引用标准
