扩口式管接头用B型螺母

36.扩口式管接头用B型螺母

(GB/T 5648—2008)

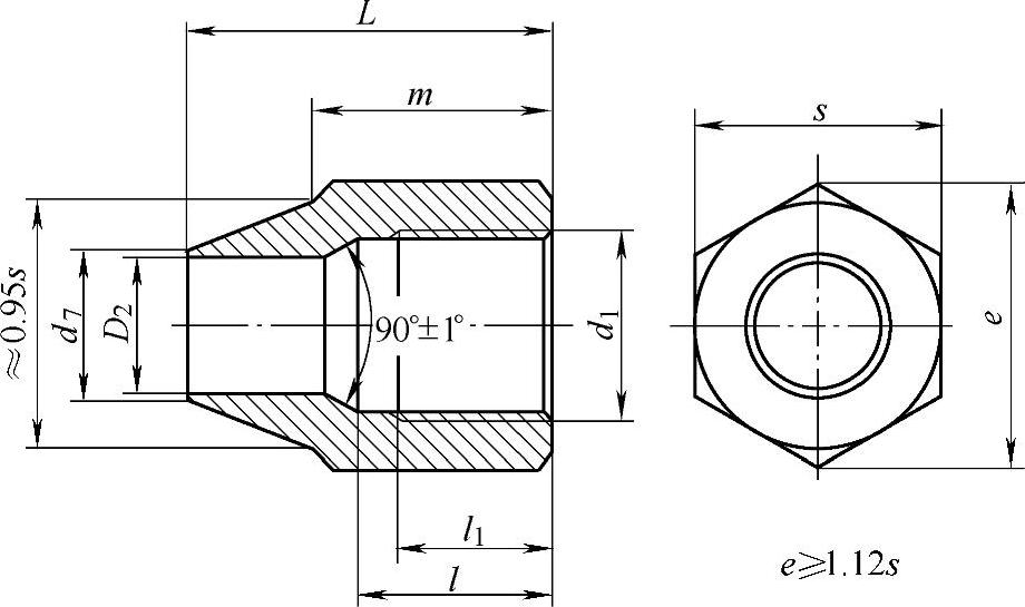
扩口式管接头用B型螺母如图2.3-87所示,尺寸见表2.3-162。

978-7-111-34285-4-Chapter02-552.jpg

图2.3-87 扩口式管接头用B型螺母

标记示例:

管子外径为10mm,表面镀锌处理的钢制扩口式管接头用B型螺母标记为:螺母GB/T 5648 B10。

表2.3-162 尺寸

978-7-111-34285-4-Chapter02-553.jpg

(续)

978-7-111-34285-4-Chapter02-554.jpg