7.机床夹具用T型槽快卸螺栓
T型槽块卸螺栓的技术条件:材料45钢按GB/T 699的规定;热处理:L≤100mm全部35~40HRC,L>100mm,两端35~40HRC,其他技术条件按JB/T 8044—1999的规定。

图2.1-43 机床夹具用球头螺栓
标记示例:d=M20,L=120mm的A型球头螺栓标记为:螺栓AM20×120 JB/T 8007.1—1999。
d=M20,L=120mm,l1=30mm的B型球头螺栓标记为:螺栓BM20×120×30 JB/T 8007.1—1999
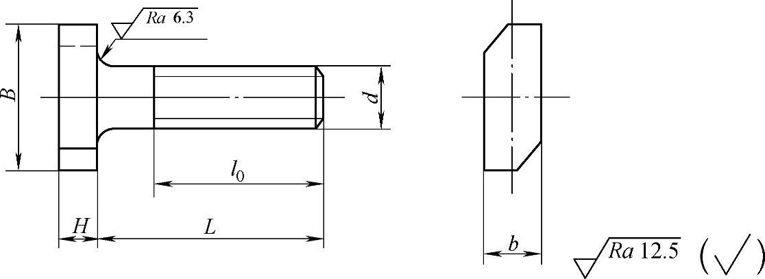
T型槽快卸螺栓如图2.1-44所示,尺寸见表2.1-81。

图2.1-44 T型槽快卸螺栓
标记示例:
d=M20、L=40mm的T型槽快卸螺栓标记为:螺栓M10×40GB/T 2165
表2.1-81 尺寸 (单位:mm)
