4.滚花头不脱出螺钉
(GB/T 839—1988)
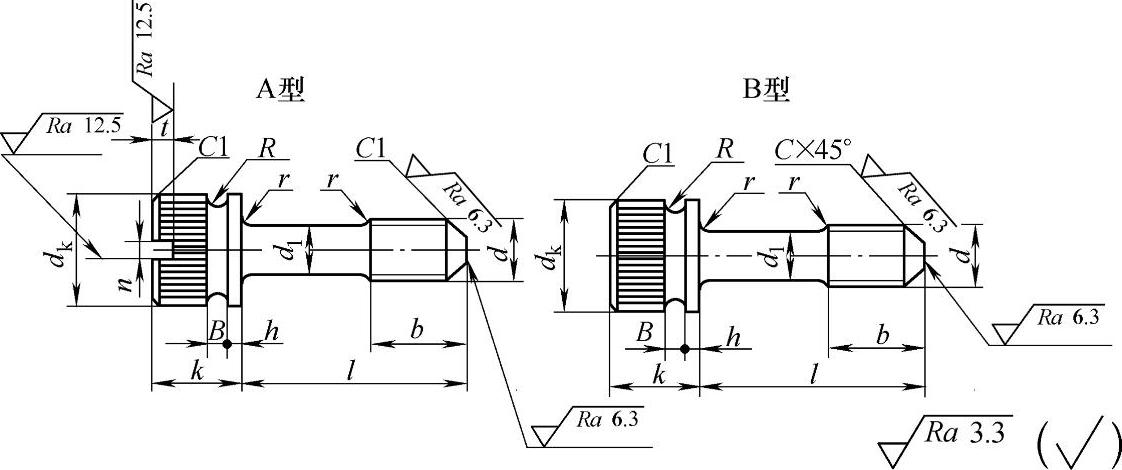
滚花头不脱出螺钉如图2.4-19所示,尺寸见表2.4-43,技术条件和引用标准见表2.4-44。

图2.4-19 滚花头不脱出螺钉
标记方法按GB 1237规定。
标记示例:
螺纹规格d=M6、公称长度l=20mm,性能等级为4.8级、不经表面处理按A型制造的滚花头不脱出螺钉的标记:螺钉GB/T 839 M6×20。
按B型制造时应加标记B:
螺钉GB/T 839B MM6×20。
表2.4-43 尺寸 (单位:mm)

注:尽可能不采用括号内的规格。
表2.4-44 技术条件和引用标准
