4.钢结构用高强度大六角螺母
(GB/T 1229—2006)
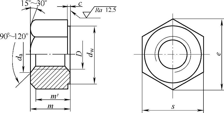
钢结构用高强度大六角螺母如图2.3-92所示,尺寸见表2.3-172。
标记示例:
螺纹规格D=M20、性能等级为10H级的钢结构用高强度大六角螺母的标记:螺母GB/T 1229 M20。
螺纹规格D=M20、性能等级为8H级的钢结构用高强度大六角螺母的标记:螺母GB/T 1229 M20-8H。

图2.3-92 钢结构用高强度大六角螺母
表2.3-172 尺寸 (单位:mm)

(续)

注:括号内的规格为第二选择系列。
技术条件按GB/T 1231的规定。