端面带孔圆螺母

3.端面带孔圆螺母

(GB/T 815—1988)

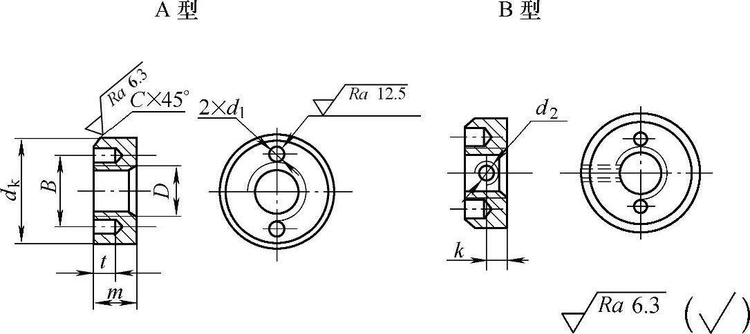
端面带孔圆螺母如图2.3-54所示,尺寸见表2.3-101,技术条件和引用标准见表2.3-102。

978-7-111-34285-4-Chapter02-428.jpg

图2.3-54 端面带孔圆螺母

标记示例:

螺纹规格D=M5、材料为Q235、不经表面处理的A型端面带孔圆螺母的标记:

螺母GB/T 815 M5。

表2.3-101 尺寸 (单位:mm)

978-7-111-34285-4-Chapter02-429.jpg

表2.3-102 技术条件和引用标准

978-7-111-34285-4-Chapter02-430.jpg