钢网架螺栓球接点用高强度螺栓
2025年10月13日
5.钢网架螺栓球接点用高强度螺栓
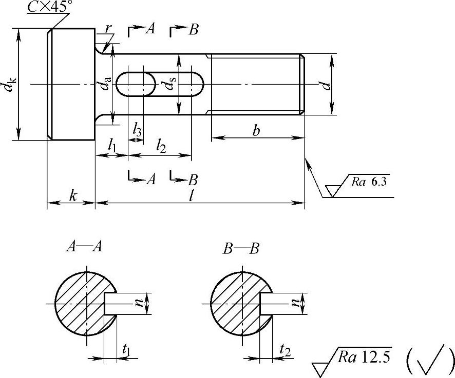
钢网架螺栓球接点用高强度螺栓如图2.1-41所示,尺寸见表2.1-75,技术要求和材料见表2.1-76和表2.1-77。

图2.1-41 钢网架螺栓球接点用高强度螺栓
标记示例:
螺纹规格d=30、公称长度l=75mm、性能等级为10.9S级、表面氧化处理的钢网架螺栓球接点用高强度螺栓的标记:螺栓GB/T 16939 M30×75。
表2.1-75 尺寸 (单位:mm)

(续)

(续)

注:推荐的六角套、封板或锥头底厚及螺栓旋入球体长度等见表2.1-77和表2.1-78。
表2.1-76 螺栓的技术要求

注:性能等级中的“S”表示钢结构用螺栓。
表2.1-77 材料

六角套的型式与尺寸按图2.1-42及表2.1-78规定。

图2.1-42 六角套
六角套标记示例:
六角套规格D=31mm,公称长度m=45mm,对边宽度s=50mm,材料为Q235,表面氧化的六角套的标记:六角套GB/T 16939 31×45
表2.1-78 六角套的尺寸 (单位:mm)

(续)

封板或锥头底厚及螺栓旋入球体长度见表2.1-79。
表2.1-79 (单位:mm)
