惠氏螺纹圆板牙
2025年10月13日
2.惠氏螺纹圆板牙
(JB/T 8825.5—1998)
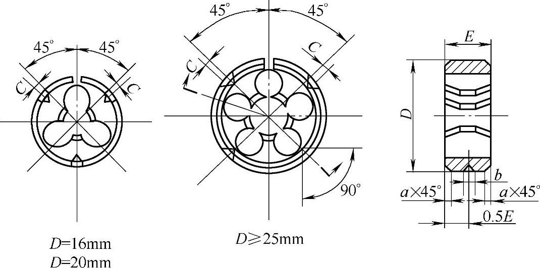
惠氏螺纹圆板牙型式如图6.1-10所示,尺寸在表6.1-20、表6.1-21中给出。

图6.1-10 惠氏螺纹圆板牙
表6.1-20 BSW尺寸 (单位:mm)

(续)

表6.1-21 BSF尺寸 (单位:mm)

(续)

标记示例:
粗牙惠氏螺纹,螺纹代号为1/4-20 BSW,每英寸上为20牙,中等级圆板牙:
惠氏螺纹圆板牙1/4-20 BSW-2 JB/T 8825.5—1998。
细牙惠氏螺纹,螺纹代号为5/16-24BSF,每英寸上为24牙,自由级圆板牙:
惠氏螺纹圆板牙5/16-24 BSF-3 JB/T 8825.5—1998。
注:惠氏左旋螺纹圆板牙应在代号之后加“L”字母,如3/8-16BSWL,其余不变。