开槽盘头不脱出螺钉

1.开槽盘头不脱出螺钉

(GB/T 837—1988)

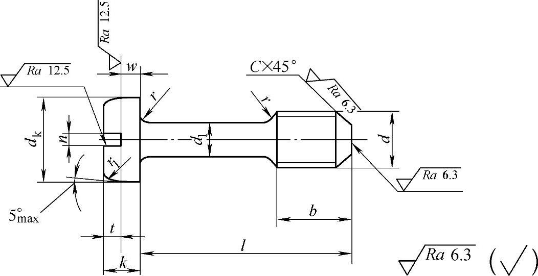
开槽盘头不脱出螺钉如图2.4-16所示,尺寸见表2.4-37,技术条件和引用标准见表2.4-38。

978-7-111-34285-4-Chapter02-659.jpg

图2.4-16 开槽盘头不脱出螺钉

标记方法按GB 1237规定。

标记示例:

螺纹规格d=M5,公称长度l=16mm、性能等级为4.8级、不经表面处理的开槽盘头不脱出螺钉的标记:螺钉GB 837 M15×16。

表2.4-37 尺寸 (单位:mm)

978-7-111-34285-4-Chapter02-660.jpg

注:尽可能不采用括号内的规格。

表2.4-38 技术条件和引用标准

978-7-111-34285-4-Chapter02-661.jpg