27.带槽圆螺母

27.带槽圆螺母

(GB/T 817—1988)

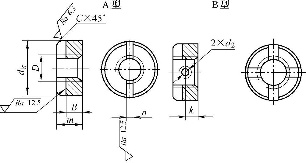
带槽圆螺母如图2.3-78所示,尺寸见表2.3-141,技术条件和引用标准见表2.3-142。

标记示例:

螺纹规格D=M5、材料为Q235、不经表面处理的A型开槽圆螺母的标记:螺母GB/T 817 M5。

978-7-111-34285-4-Chapter02-514.jpg

图2.3-78 带槽圆螺母

表2.3-141 尺寸 (单位:mm)

978-7-111-34285-4-Chapter02-515.jpg

表2.3-142 技术条件和引用标准

978-7-111-34285-4-Chapter02-516.jpg

(续)

978-7-111-34285-4-Chapter02-517.jpg