1.3.3  平垫圈

1.3.3 平垫圈

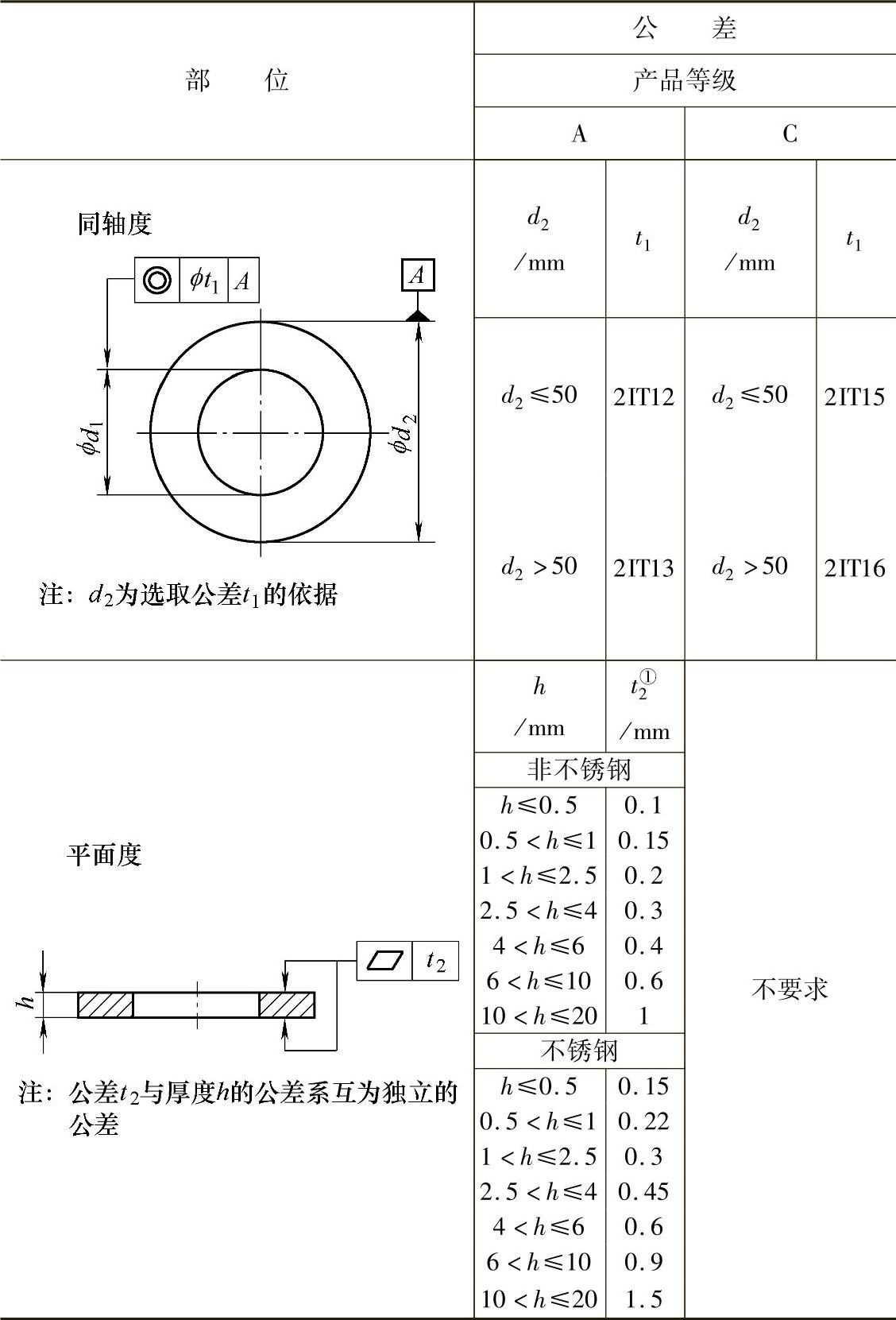
公称直径为1~150mm的螺栓、螺钉和螺母用产品等级为A和C级冲压平垫圈的尺寸公差见表1.3-11,几何公差的规定和表示方法符合GB/T 1182和GB/T 16671。

表1.3-11 垫圈公差表(摘自GB/T 3103.3—2000)

978-7-111-34285-4-Chapter01-105.jpg

(续)

978-7-111-34285-4-Chapter01-106.jpg

(续)

978-7-111-34285-4-Chapter01-107.jpg

① 去除毛刺后测量平面度。