气密单耳托板自锁螺母

18.气密单耳托板自锁螺母

(GB/T 932—1988)

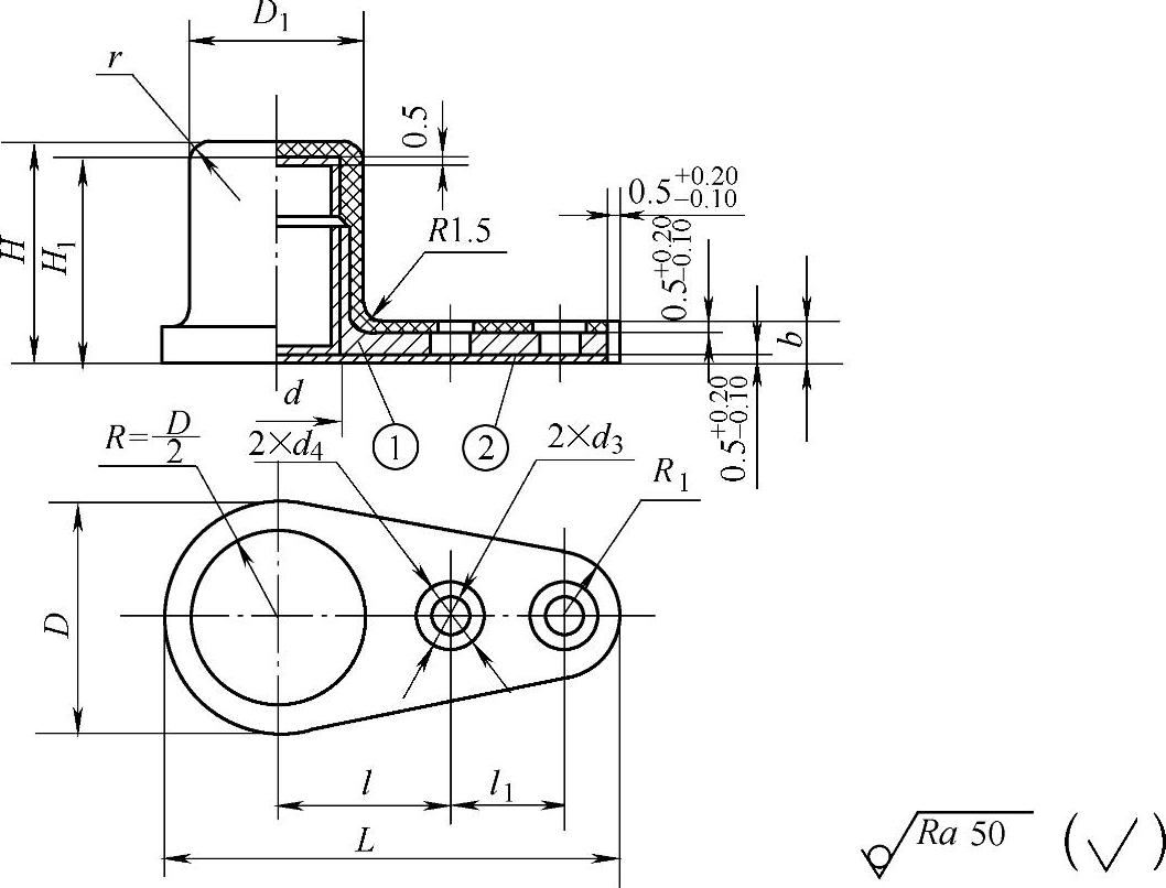
气密单耳托板自锁螺母如图2.3-41所示,尺寸见表2.3-84。

978-7-111-34285-4-Chapter02-387.jpg

图2.3-41 气密单耳托板自锁螺母

978-7-111-34285-4-Chapter02-388.jpg

图2.3-41 气密单耳托板自锁螺母(续)

表2.3-84 尺寸 (单位:mm)

978-7-111-34285-4-Chapter02-389.jpg

(续)

978-7-111-34285-4-Chapter02-390.jpg

标记示例:

螺纹规格d=M6,H=10mm的气密单耳托板自锁螺母的标记:GB/T 932 M6。

螺纹规格d=M6,H=13.5mm的气密单耳托板自锁螺母的标记:GB/T 932 M6。