卡套、卡套螺母

1.卡套、卡套螺母

(JB/T 1757—2008)

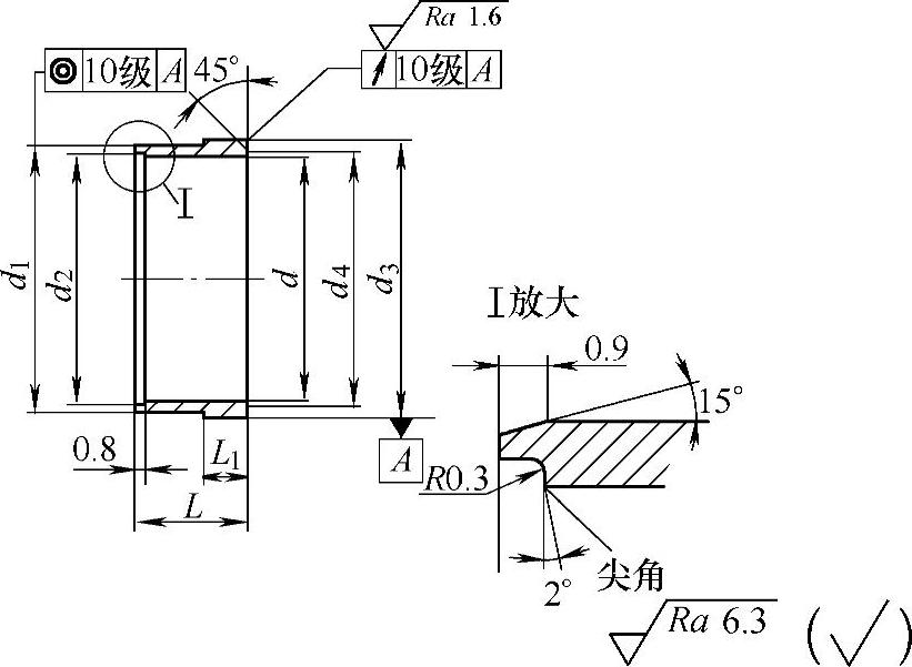
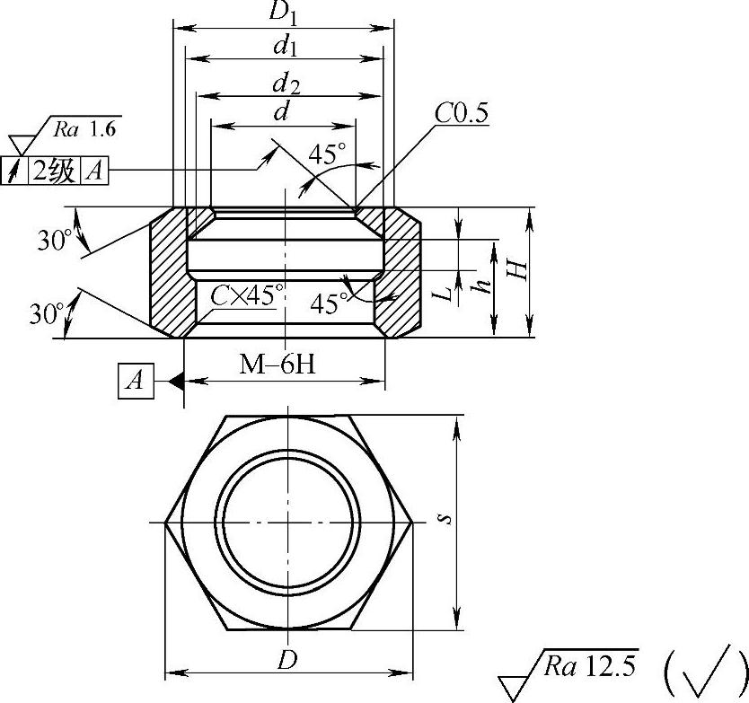
卡套和卡套螺母的结构如图2.3-88和图2.3-89所示,尺寸见表2.3-163和表2.3-164,材料见表2.3-165。

978-7-111-34285-4-Chapter02-555.jpg

图2.3-88 卡套结构

表2.3-163 尺寸 (单位:mm)

978-7-111-34285-4-Chapter02-556.jpg

978-7-111-34285-4-Chapter02-557.jpg

图2.3-89 卡套螺母结构

表2.3-164 尺寸 (单位:mm)

978-7-111-34285-4-Chapter02-558.jpg

表2.3-165 卡套、卡套螺母的材料

978-7-111-34285-4-Chapter02-559.jpg